Ah ok, also are any of the bootloader pins sensitive? I managed to move the bootloader down where the inductor was so it can have shorter traces. And does the psram and flash look like it will work?
Is it bad practice to put the VDD_SOC_IN Inductor underneath the MCU? It shortens the trace by 10-15mm
*Also i changed the TVL7573 EN/PMIC resistor to be 100K like in the schematic
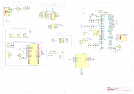
I have been designing a 6 layer pcb for a Teensy/Esp32 based project and i would like to get it revised before i order the boards from JLCPCB with Epoxy Filled VIA in pad
Stackup is F.Cu, GND, In2.Cu, In3.Cu, GND, B.Cu
It uses 16MB of flash...
I'm looking for some final advice before making this, Its a 6 layer ENIG PCB with Via in Pad I used the .8mm pitch 1062 with the Winbond W25Q128JVPIM for the flash.
I implemented an ESP32 Pico V3 02 for wireless and separate tasks, there are 2...