PaulStoffregen's latest activity

  • PaulStoffregen
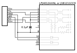
    You absolutely do need the 0.1uF capacitor. That capacitor inside the magjack is for a different purpose. If you look at the datasheets for the Cetus and LinkPP magjacks (again, scroll down to "Technical Details" on the ethernet kit page)...
  • PaulStoffregen
    Probably is likely due to RCT and TCT shorted to GND. Cut this wire and add a 0.1uF capacitor. Here is the schematic from the ethernet kit (scroll down to "Technical Details") for comparison.
    • 1755676074531.png
    • 1755676112180.png
  • PaulStoffregen
    PaulStoffregen replied to the thread I2s2 connection.
    Serial3 uses pin 14,15 and I2S2 uses pins 2,3,4,5,33 so they should not conflict in software or hardware. My only guess is perhaps the GPS antenna may be too close to signals like MCLK and BCLK. If used indoors, perhaps the GPS antenna gets a...
Back
Top