Yeah, a product meant for slow 5 volt Arduino Uno that was never designed to work with a fast 3.3V board like Teensy, indeed does not work with Teensy.
You have two basic options to move forward from here.
1: Abandon it and find something else...
Two problems tend to come up with SD cards used on hardware meant for Arduino Uno.
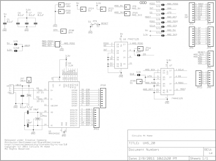
I tried a quick Google search for "DFrobot_0669 Display" since no info was given about this hardware, and I landed on this page which has a schematic link...
I could run the test again with my scope's fully bandwidth, if anyone wants to see a lot of ringing. But it's probably not a useful test. There's always a lot of ringing on high bandwidth measurements when I use the longer ground clips and...
Do you have any documentation about the data it's supposed to send? That would make everything much easier!
The less easy way would involve reverse engineering. For that you would need a logic analyzer. The very well known but expensive one...
I connected my scope to pins 0, 26, 27 while running the code from msg #22 with the fix from msg #24.
This is what I'm seeing. I turned on "persistence" so you can get an idea of the flickering nature of the blue trace which changes every...
Would it be ok to show this on the public website?
Even if AI wrote some of the code, I think a lot of people would are interested in DIY building high precision measurement devices.
We are using almost three years now MIMXRT1062CVL5B with teensy bootloader with almost 100 devices, in autonomous robotics field.
We use absolute the same the code as for 4.1, and never had any unexpected problems (besides crashes from our...
Amazon says my CP2104 board will arrive Wednesday afternoon.
Do you recall where the info about CP210X control transfers was found? I see the original code used 0x40 rather than 0x41 for the control transfer request type to set baud rate. A...
Because this code previously has this line, I (incorrectly) assumed someone must have used hardware with VID 10C4, PID EA70.
{0x10c4, 0xea70, USBSerialBase::CP210X, 0 }
I currently have these 8 cables for testing.
FTDI: 0403, 6001, 6.00
FTDI...
I don't know anything about Yamaha Motif keybeds. Can you give some technical info about this mysterious (at least to me) hardware?
I'm also not getting a clear idea of how you're wanting to connect this to Teensy. My main confusion is whether...
Ah, well that makes sense.
Any idea which chip has VID 10C4, PID EA70? That's the case we used to claim at device level but now claim at interface level.
Do you still have a single port CP2105 adapter handy? I don't have one.
Any chance I could talk you into running a quick test to make sure I didn't break anything?
To quickly show how I tested, I connected the CP2105 cable to a Teensy 4.1. I connected each of its ports to a single-port FTDI USB serial cable.
The cable for Teensy 4.1 and the two FTDI cables plugged into this USB hub which connects to my...
To answer this specific question:
No, Claude completely misunderstood how interface claiming works. It tried to add unnecessay code to remember which interfaces had been claimed. But that wasn't the problem at all, and can't even become a...
Sorry about the delay. I meant to work on this 2 weeks ago, but got distracted by another project.
I've committed code on github to support CP2105 dual serial...
Quick followup to this old thread. New testing has been done with Zetta chips which appear to be the same or successor parts to XTX.
https://forum.pjrc.com/index.php?threads/smd-flash-with-teensy-4-1-design.77679/page-2
Zetta ZDSD04GLGEAG was...
Well, that was certainly much easier than expected. Adding the required updates to my code to incorporate MTP support took all of maybe 3 minutes, and the results are exactly what I was hoping to achieve.
Thanks for the assistance, and to all...
Happy to report SD listfiles example does see the chip and shows the 5 files I copied onto it with the card reader.
If anyone wants to reproduce this test, see msg #10 for link to the Zetta-to-SD adapter PCB.
Yeah, this chip really wants a well tuned reflow soldering oven!
I'm trying again... this time with 8 resistors. Looks weird, but I can visually inspect every pin.
Initial result, it doesn't work. I haven't even tried with Teensy yet. First attempted to use it with this known-good card reader.
I'm not 100% sure I really soldered all 8 pins successfully. There's no exposed metal on the side of the...
Can you reproduce the problem using Arduino IDE rather than PlatformIO?
Does any special hardware need to be connected to measure waveforms like msg #4? If all that is needed is an oscilloscope connected to SCK and MOSI, can you share a program...
Try running the WebClient example. In Arduino IDE, click File > Examples > Ethernet > WebClient. It sends a slightly different HTTP request. Perhaps that difference matters?
If you'd like to verify the Universal 2 status really has ARM64, it can be done in Terminal with the "file" command.
Here's a screenshot showing the result for the files installed by version 1.60 installed by Arduino IDE 2.3.8 on a M1 Mac...
Short simple answer: with Rosetta2 installed, everything should work on Apple silicon Macs.
Longer answer...
Starting with 1.60, all the PJRC compiled binaries are Universal 2 applications with both ARM64 (Apple M-series silicon) and Intel...
It's exactly the same chip. They just changed the logo.
NXP acquired Freescale Semiconductor in 2015. But they waited 10 years to finally change the logo on the chips Freescale made, even ones that were released a few years after the merger...
I don't know about any UK specific issues, but I can answer on this tech question.
The Teensy 4.1 models with versus without ethernet are exactly the same. The DP83825 Ethernet PHY chip either is or is not soldered to the PCB. If you don't...
Nice!
Any chance you might share the code here or on github. I'm pretty sure other people will find it interesting, maybe even make their own pulse measurement.
Well that's pretty easy to answer: no, or probably not.
Quick search for "CCM_CCGR6" in all the SdFat files finds only 1 place, in src/SdCard/SdioTeensy.cpp at line 362.
/* Enable USDHC clock. */
CCM_CCGR6 |= CCM_CCGR6_USDHC1(CCM_CCGR_ON)...
All SD cards support 2 completely different communication protocols.
SPI uses 4 signals and supports 1 data pin at a maximum of 25 MHz. Most microcontrollers use SPI mode, and Teensy can if you connect a SD card to any of its SPI ports. The...
Power up stuff looks basically same as Teensy 4.0.
LED D4 probably wants cathode to GND. With anode to GND, you'd need to drive it with a negative voltage to get any current to flow!
If you use W25Q128JVPIM, your hardware will be detected at MicroMod, which doesn't use a PSRAM chip.
To make PSRAM work, you will need to edit startup.c because the code as provided doesn't try to initialize the PSRAM chip. It's purely a...
While this doesn't give you the SD.end() function you wanted, Teensy's SD library does have a SD.mediaPresent() function which is meant to detect the removal of a card and perform re-initialization upon insertion of a new card.
Here's a quick...
This can't possibly work!
while (!SD.sdfs.begin(BUILTIN_SDCARD))
You can only use BUILTIN_SDCARD with the SD.begin() function.
If you want to use SdFat's begin(), you must use the more complex syntax SdFat provides. In Arduino IDE, click...
If you buy the voltage regulator, get the "R" version. Full part number is AP7313-18SRG-7. Digikey part number is AP7313-18SRG-7DICT-ND.
https://www.digikey.com/en/products/detail/diodes-incorporated/AP7313-18SRG-7/2270805
Beware the "A"...
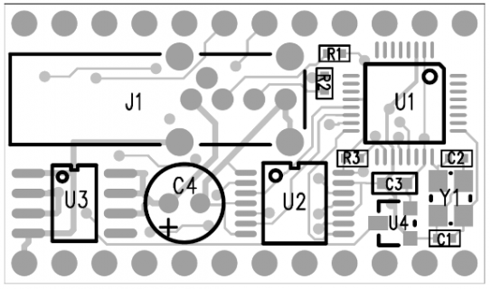
Nope, I never made a schematic. Like most PCBs I have made, I create the PCB directly in the layout software without drawing a schematic. I only make a schematic later, if there is a need. If I had a schematic, I would have put it with the...
Having just dug up this ancient info, I really want to emphasize how much better Teensy 4.1 works for USB host.
You get 480 MBit/sec speed. The controller is EHCI with bus master DMA, so it can very efficiently handle any number of USB devices...