Molex MagJack with Teensy 4.1?

GG007

Member
Hello everyone,

I'm having difficulties getting the Molex MagJack 10/100 93635-8314 (https://www.molex.com/en-us/products/part-detail-pdf/936358314?display=pdf) working with Teensy 4.1 connecting it directly to the ethernet pins.

I have attached my schematic and boardview.

Any help and advice would be HUGELY appreciated please because I'm losing my mind trying to figure this out.
 

Attachments

  • schematic.png
    schematic.png
    540.7 KB · Views: 82
  • boardview.png
    boardview.png
    303.3 KB · Views: 70
Probably is likely due to RCT and TCT shorted to GND.

1755676112180.png

Cut this wire and add a 0.1uF capacitor.

Here is the schematic from the ethernet kit (scroll down to "Technical Details") for comparison.

1755676074531.png
 
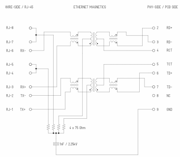
Looking at the schematic of the MagJack, I thought I don't need a capacitor there because it's built into the MagJack - I have attached the schmatic from the Molex documentation.
 

Attachments

  • molex magjack schematic.png
    molex magjack schematic.png
    548.3 KB · Views: 94
Looks like Paul’s schematic goes left to right, and the Molex one from right to left. So you do need to fit the capacitor…
 
You absolutely do need the 0.1uF capacitor.

That capacitor inside the magjack is for a different purpose. If you look at the datasheets for the Cetus and LinkPP magjacks (again, scroll down to "Technical Details" on the ethernet kit page), you'll see they also have that 1nF capacitor.
 
Thank you both!!
Actually originally I had a 100nF capacitor there, I just removed it after it didn't work thinking that was the problem.
So it didn't work with that either :(
 

Attachments

  • schematic_original.png
    schematic_original.png
    175.5 KB · Views: 63
Something else must also be wrong. But difficult to spot such a problem without seeing more clearly.

Can you show up the PCB layout (version with the 0.1uF capacitor) and a photo of the actual bare PCB and a soldered PCB?
 
Thank you Paul.
Please find the original boardview attached and I'll try to get you some photos shortly.
Top plane that the Teensy sits on is ground, bottom plane is 3.3v.
 

Attachments

  • boardview_original.png
    boardview_original.png
    416 KB · Views: 70
I spent a few minutes looking at your PCB layout and the Molex datasheet. Really looks like it ought to work, assuming a ground plane connects to the other side of C2.
 
Thanks very much Paul!!
Yes, top side is ground where C2's right side connects to.
I'm extremely confused by this.. kinda losing my mind.
 
Do you have one of a regular ethernet kit for comparison? Might be worthwhile to plug it into a Teensy 4.1 and run whatever program you're using for testing, just to verify the software side doesn't have some sort of issue.

Another point that might help during testing is the LED behavior. Once the software has initialized the PHY chip on Teensy 4.1, whether the LED on the ethernet connector lights is done automatically by the PHY chip as it recognizes another host on the other end of the cable, without anything special from the software beyond just getting the hardware initialized. Maybe together with comparing against a known good ethernet kit you might gain just a little more insight that leads to understanding?
 
I certainly bought it labelled "ethernet" and all ICs near the ethernet pins are populated, which makes me assume it is the ethernet version?
 
Last edited:
Back
Top