New Teensy 4.1 DIY Synthesizer

This looks very cool! Any chance that complete, ready-to-use Jeannies will be sold, for people that have no soldering skills, like me?

And if that's the case, what would be the price?

Thank you, regards.
 
Hi, i think so .
For the price ... i don't know .
First i must make the case/ price for the case than a calculation for the parts and so on .
And Jeannie isn't ready now . The audio engine is 95 % ready . Than we work on a stepper or ARP .(or both )
I think , hopefully in 1..2 month we got it .
BTW , i must make also a new Prototype with the new PCB. Than i have one ready ....
G
Andre'
 
Hello..


We are almost finished (also with our nerves) and hope that our "Jeannie" including case can be sold on TubeOhm.com in two months.


Andre turned the buttons again and made some wonderful and scratchy sounds.


PS: The techno sounds are from me .. also the jingling on the keyboard: cheer:

Jeannie-Part3.jpg


Youtube: https://youtu.be/azkAbpPoJL8


Greetings Rolf
 
Hallo friends..

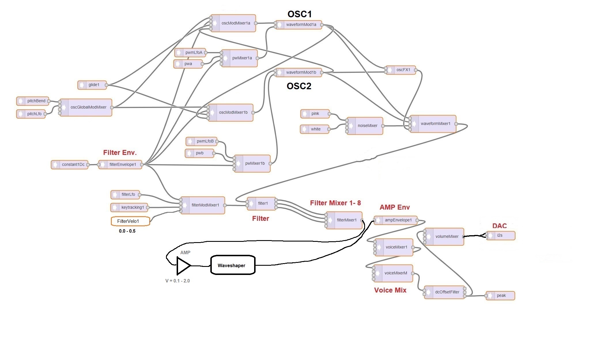
I use the Waveshaper function from the Teensy Audio Library in my synthesizer.

When I press a new midi note, a part (6ms) of the old note can still be heard at the audio output.

I changed the order of the AudioConnection but to no avail.


Where is my mistake?


Audio out with waveshaper
Out-waveform.png




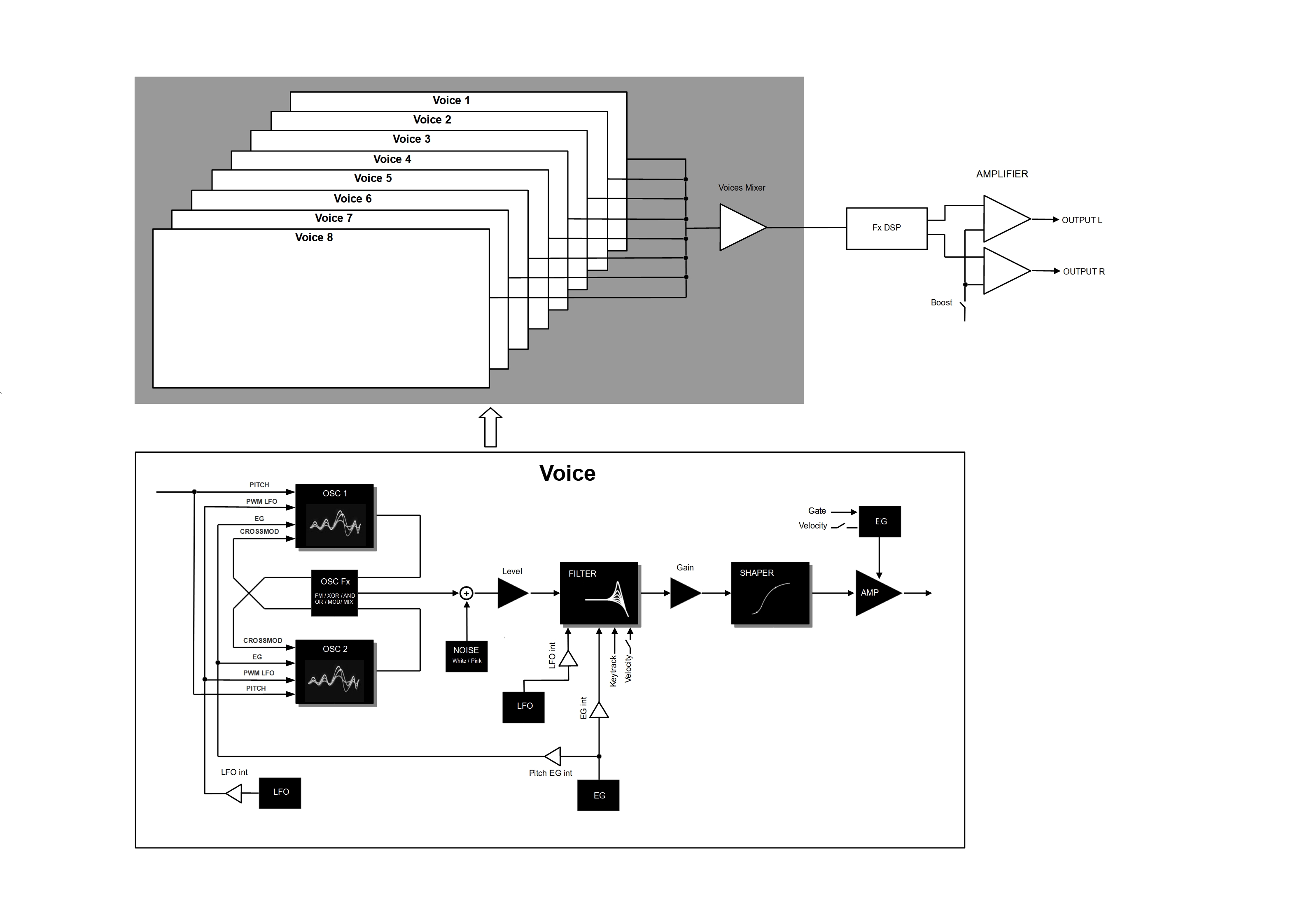
Voice Block
Jeannie-one-Voice-V104-3m.jpg



Thank you for your help :)
 
If I switch the waveshaper (without an amp) behind the ampEnvelope it works very well.

But then I can't control the waveshaper :confused:

Voice-V104-4.jpg


Greetings. Rolf
 
6ms sounds like two audio interrupt periods of 2.9ms each. In the absence of your source code, I'd check that you have created the AudioStream objects in your required execution order as per the comment on https://www.pjrc.com/teensy/td_libs_AudioConnection.html - "Audio objects should be created in the order data is processed, inputs, playback and synthesis, then effects, filters, mixers, and lastly outputs.". Changing the order of the AudioConnection objects in your code has no effect, unless you're using my modified libraries which do attempt to ensure the AudioStream objects update in the optimal order according to their connections.

However, I'm not 100% sure that will help, because you have a couple of "loopback" connections (waveformMod1a -> oscModMixer1b, and waveformMod1b -> oscModMixer1a). This will mean that at the end of every update cycle there will be a couple of allocated audio blocks from the outputs of the waveformMod1x objects waiting to be processed by the destination oscModMixer1x on the next update cycle. These will have the old note frequency, so when you start the next note (and again, in the absence of source code, I can't be sure how you do that, but let's assume all you do is set waveform frequencies and send a noteOn() to all the envelopes...) there will still be stale waveforms in these delayed audio blocks. you may have silenced the outputs by setting envelopes to zero amplitude with noteOff(), but the oscillators are still running. You could silence the oscillators themselves once the envelopes are off, but that would mess with the attack of the next note. As 6ms isn't very long, you may prefer just to set the envelope delay to 5.8ms, or possibly 2.9ms if re-ordering the AudioStream objects gets the anomaly down to 2.9ms.

Cheers

Jonathan
 
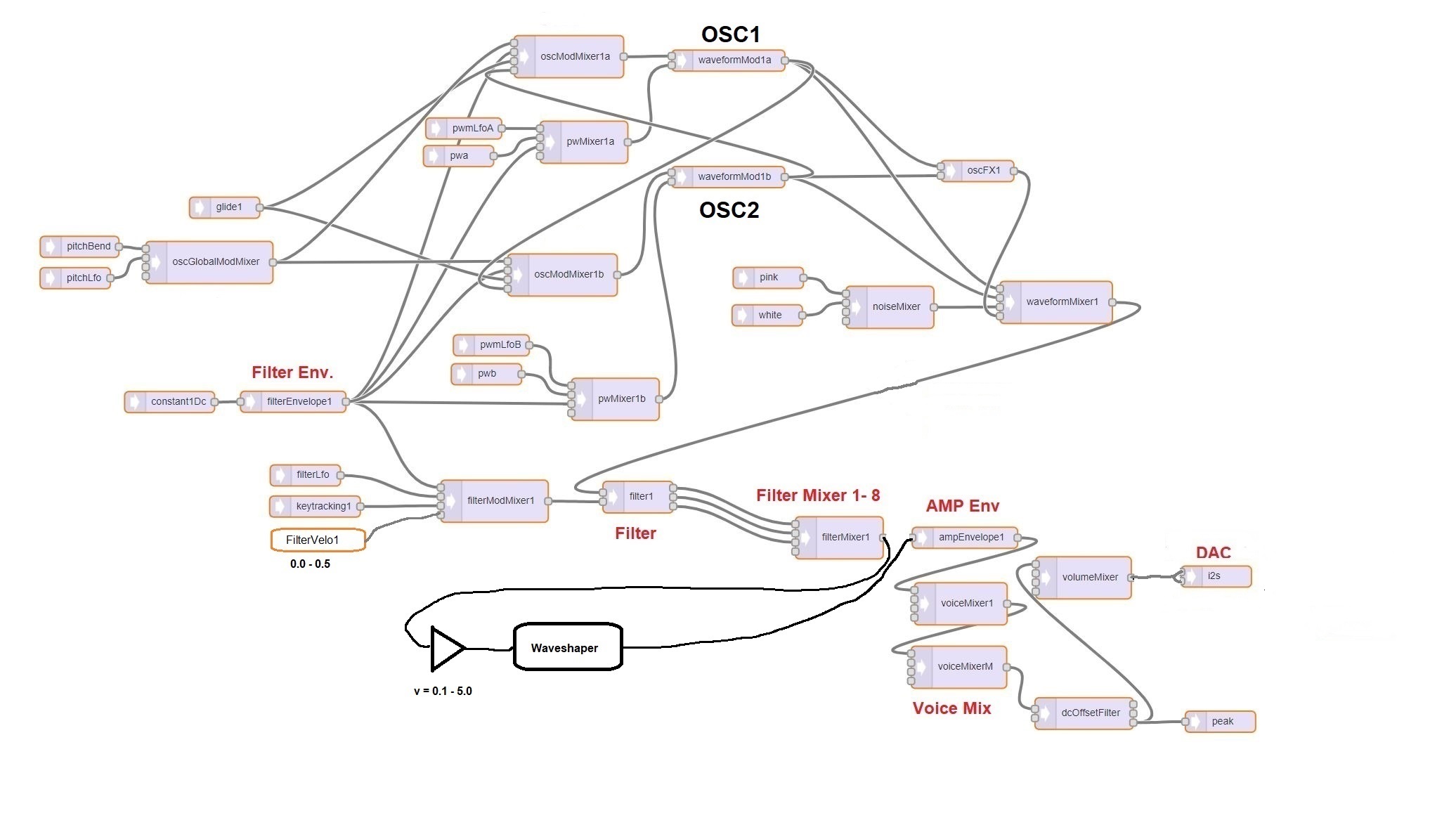
Hello Jonathan


Thank you for your very good explanation. I checked the order of the audio stream objects again. It seems ok.

I use special oscillator objects from the TSynth core (see code). I think that's my problem :confused:


My result:
I control the amplitude of the oscillators via the waveformMixer and switched the Waveshapers behind the AmpEnvelope.

Now it works fine.


WaveforOsc
Code:
void AudioSynthWaveformModulatedTS::update(void)
{
  audio_block_t *block, *moddata, *shapedata;
  int16_t *bp, *end;
  int32_t val1, val2;
  int16_t magnitude15;
  uint32_t i, ph, index, index2, scale, priorphase;
  const uint32_t inc = phase_increment;


  moddata = receiveReadOnly(0);
  shapedata = receiveReadOnly(1);


  if(syncFlag==1){
    phase_accumulator = 0;
    syncFlag = 0;
  }        
  
  // Pre-compute the phase angle for every output sample of this update
  ph = phase_accumulator;
  priorphase = phasedata[AUDIO_BLOCK_SAMPLES-1];
  if (moddata && modulation_type == 0) {
    // Frequency Modulation
    bp = moddata->data;
    for (i=0; i < AUDIO_BLOCK_SAMPLES; i++) {
      int32_t n = (*bp++) * modulation_factor; // n is # of octaves to mod
      int32_t ipart = n >> 27; // 4 integer bits
      n &= 0x7FFFFFF;          // 27 fractional bits
      #ifdef IMPROVE_EXPONENTIAL_ACCURACY
      // exp2 polynomial suggested by Stefan Stenzel on "music-dsp"
      // mail list, Wed, 3 Sep 2014 10:08:55 +0200
      int32_t x = n << 3;
      n = multiply_accumulate_32x32_rshift32_rounded(536870912, x, 1494202713);
      int32_t sq = multiply_32x32_rshift32_rounded(x, x);
      n = multiply_accumulate_32x32_rshift32_rounded(n, sq, 1934101615);
      n = n + (multiply_32x32_rshift32_rounded(sq,
        multiply_32x32_rshift32_rounded(x, 1358044250)) << 1);
      n = n << 1;
      #else
      // exp2 algorithm by Laurent de Soras
      // https://www.musicdsp.org/en/latest/Other/106-fast-exp2-approximation.html
      n = (n + 134217728) << 3;


      n = multiply_32x32_rshift32_rounded(n, n);
      n = multiply_32x32_rshift32_rounded(n, 715827883) << 3;
      n = n + 715827882;
      #endif
      uint32_t scale = n >> (14 - ipart);
      uint64_t phstep = (uint64_t)inc * scale;
      uint32_t phstep_msw = phstep >> 32;
      if (phstep_msw < 0x7FFE) {
        ph += phstep >> 16;
      } else {
        ph += 0x7FFE0000;
      }
      phasedata[i] = ph;
    }
    release(moddata);
  } else if (moddata) {
    // Phase Modulation
    bp = moddata->data;
    for (i=0; i < AUDIO_BLOCK_SAMPLES; i++) {
      // more than +/- 180 deg shift by 32 bit overflow of "n"
      uint32_t n = (uint16_t)(*bp++) * modulation_factor;
      phasedata[i] = ph + n;
      ph += inc;
    }
    release(moddata);
  } else {
    // No Modulation Input
    for (i=0; i < AUDIO_BLOCK_SAMPLES; i++) {
      phasedata[i] = ph;
      ph += inc;
    }
  }
  phase_accumulator = ph;


  //Amplitude is always 1 on TSynth when oscillator is sounding
  //magnitude must be set to zero, otherwise digital noise comes through
  if(tone_type == WAVEFORM_SILENT){
    magnitude  = 0;
  }else{
    magnitude = 65536.0;
    }                               
  // If the amplitude is zero, no output, but phase still increments properly
  if (magnitude == 0) {
    if (shapedata) release(shapedata);
    return;
  }
  block = allocate();
  if (!block) {
    if (shapedata) release(shapedata);
    return;
  }
  bp = block->data;


  // Now generate the output samples using the pre-computed phase angles
  switch(tone_type) {
  case WAVEFORM_SINE:
    for (i=0; i < AUDIO_BLOCK_SAMPLES; i++) {
      ph = phasedata[i];
      index = ph >> 24;
      val1 = AudioWaveformSine[index];
      val2 = AudioWaveformSine[index+1];
      scale = (ph >> 8) & 0xFFFF;
      val2 *= scale;
      val1 *= 0x10000 - scale;
      *bp++ = multiply_32x32_rshift32(val1 + val2, magnitude);
    }
    break;


  case WAVEFORM_ARBITRARY:
    if (!arbdata) {
      release(block);
      if (shapedata) release(shapedata);
      return;
    }
    // len = 256
    for (i=0; i < AUDIO_BLOCK_SAMPLES; i++) {
      ph = phasedata[i];
      index = ph >> 24;
      index2 = index + 1;
      if (index2 >= 256) index2 = 0;
      val1 = *(arbdata + index);
      val2 = *(arbdata + index2);
      scale = (ph >> 8) & 0xFFFF;
      val2 *= scale;
      val1 *= 0x10000 - scale;
      *bp++ = multiply_32x32_rshift32(val1 + val2, magnitude);
    }
    break;


  case WAVEFORM_PULSE:
    if (shapedata) {
      magnitude15 = signed_saturate_rshift(magnitude, 16, 1);
      for (i=0; i < AUDIO_BLOCK_SAMPLES; i++) {
        uint32_t width = ((shapedata->data[i] + 0x8000) & 0xFFFF) << 16;
        if (phasedata[i] < width) {
          *bp++ = magnitude15;
        } else {
          *bp++ = -magnitude15;
        }
      }
      break;
    } // else fall through to orginary square without shape modulation


  case WAVEFORM_SQUARE:
    magnitude15 = signed_saturate_rshift(magnitude, 16, 1);
    for (i=0; i < AUDIO_BLOCK_SAMPLES; i++) {
      if (phasedata[i] & 0x80000000) {
        *bp++ = -magnitude15;
      } else {
        *bp++ = magnitude15;
      }
    }
    break;


  case WAVEFORM_BANDLIMIT_PULSE:
    if (shapedata)
    {
      for (i=0; i < AUDIO_BLOCK_SAMPLES; i++)
      {
        uint32_t width = ((shapedata->data[i] + 0x8000) & 0xFFFF) << 16;
        int32_t val = band_limit_waveform.generate_pulse (phasedata[i], width, i) ;
        *bp++ = (int16_t) ((val * magnitude) >> 16) ;
      }
      break;
    } // else fall through to orginary square without shape modulation


  case WAVEFORM_BANDLIMIT_SQUARE:
    for (i = 0 ; i < AUDIO_BLOCK_SAMPLES ; i++)
    {
      int32_t val = band_limit_waveform.generate_square (phasedata[i], i) ;
      *bp++ = (int16_t) ((val * magnitude) >> 16) ;
    }
    break;


  case WAVEFORM_SAWTOOTH:
    for (i=0; i < AUDIO_BLOCK_SAMPLES; i++) {
      *bp++ = signed_multiply_32x16t(magnitude, phasedata[i]);
    }
    break;


  case WAVEFORM_SAWTOOTH_REVERSE:
    for (i=0; i < AUDIO_BLOCK_SAMPLES; i++) {
      *bp++ = signed_multiply_32x16t(0xFFFFFFFFu - magnitude, phasedata[i]);
    }
    break;


  case WAVEFORM_BANDLIMIT_SAWTOOTH:
  case WAVEFORM_BANDLIMIT_SAWTOOTH_REVERSE:
    for (i = 0 ; i < AUDIO_BLOCK_SAMPLES ; i++)
    {
      int16_t val = band_limit_waveform.generate_sawtooth (phasedata[i], i) ;
      val = (int16_t) ((val * magnitude) >> 16) ;
      *bp++ = tone_type == WAVEFORM_BANDLIMIT_SAWTOOTH_REVERSE ? (int16_t) -val : (int16_t) +val ;
    }
    break;


  case WAVEFORM_TRIANGLE_VARIABLE:
    if (shapedata) {
      for (i=0; i < AUDIO_BLOCK_SAMPLES; i++) {
        uint32_t width = (shapedata->data[i] + 0x8000) & 0xFFFF;
        uint32_t rise = 0xFFFFFFFF / width;
        uint32_t fall = 0xFFFFFFFF / (0xFFFF - width);
        uint32_t halfwidth = width << 15;
        uint32_t n;
        ph = phasedata[i];
        if (ph < halfwidth) {
          n = (ph >> 16) * rise;
          *bp++ = ((n >> 16) * magnitude) >> 16;
        } else if (ph < 0xFFFFFFFF - halfwidth) {
          n = 0x7FFFFFFF - (((ph - halfwidth) >> 16) * fall);
          *bp++ = (((int32_t)n >> 16) * magnitude) >> 16;
        } else {
          n = ((ph + halfwidth) >> 16) * rise + 0x80000000;
          *bp++ = (((int32_t)n >> 16) * magnitude) >> 16;
        }
        ph += inc;
      }
      break;
    } // else fall through to orginary triangle without shape modulation


  case WAVEFORM_TRIANGLE:
    for (i=0; i < AUDIO_BLOCK_SAMPLES; i++) {
      ph = phasedata[i];
      uint32_t phtop = ph >> 30;
      if (phtop == 1 || phtop == 2) {
        *bp++ = ((0xFFFF - (ph >> 15)) * magnitude) >> 16;
      } else {
        *bp++ = (((int32_t)ph >> 15) * magnitude) >> 16;
      }
    }
    break;
  case WAVEFORM_SAMPLE_HOLD:
    for (i=0; i < AUDIO_BLOCK_SAMPLES; i++) {
      ph = phasedata[i];
      if (ph < priorphase) { // does not work for phase modulation
        sample = random(magnitude) - (magnitude >> 1);
      }
      priorphase = ph;
      *bp++ = sample;
    }
    break;
  }


  if (tone_offset) {
    bp = block->data;
    end = bp + AUDIO_BLOCK_SAMPLES;
    do {
      val1 = *bp;
      *bp++ = signed_saturate_rshift(val1 + tone_offset, 16, 0);
    } while (bp < end);
  }
  if (shapedata) release(shapedata);
  transmit(block, 0);
  release(block);
}

Thanks and greetings from germany. Rolf
 
Hello Jonathan


I changed the order list of the Audio Connection objects and the error is back. What is wrong :confused:


New order list with error
Code:
Oscilloscope             scope;
AudioOutputI2S             PCM5102A;


AudioSynthWaveformDc     constant1Dc;        //xy=69.5,437
AudioSynthWaveformDc     pitchBend;            //xy=128,74
AudioSynthWaveformDc     FilterVelo1;        //xy=69.5,437
AudioSynthWaveformDc     FilterVelo2;        //xy=69.5,437
AudioSynthWaveformDc     FilterVelo3;        //xy=69.5,437
AudioSynthWaveformDc     FilterVelo4;        //xy=69.5,437
AudioSynthWaveformDc     FilterVelo5;        //xy=69.5,437
AudioSynthWaveformDc     FilterVelo6;        //xy=69.5,437
AudioSynthWaveformDc     FilterVelo7;        //xy=69.5,437
AudioSynthWaveformDc     FilterVelo8;        //xy=69.5,437
AudioSynthWaveformDc     glide1;            //xy=124,152
AudioSynthWaveformDc     glide2;            //xy=124,152
AudioSynthWaveformDc     glide3;            //xy=124,152
AudioSynthWaveformDc     glide4;            //xy=124,152
AudioSynthWaveformDc     glide5;            //xy=124,152
AudioSynthWaveformDc     glide6;            //xy=124,152
AudioSynthWaveformDc     glide7;            //xy=124,152
AudioSynthWaveformDc     glide8;            //xy=124,152
AudioSynthWaveformDc     keytracking1;        //xy=176,745
AudioSynthWaveformDc     keytracking2;        //xy=196,745
AudioSynthWaveformDc     keytracking3;        //xy=216,745
AudioSynthWaveformDc     keytracking4;        //xy=236,745
AudioSynthWaveformDc     keytracking5;        //xy=216,745
AudioSynthWaveformDc     keytracking6;        //xy=236,745
AudioSynthWaveformDc     keytracking7;        //xy=176,745
AudioSynthWaveformDc     keytracking8;        //xy=196,745
AudioSynthWaveformDc     pwa;                //xy=107,256
AudioSynthWaveformDc     pwb;                //xy=110,301


AudioSynthWaveformModulatedTS waveformMod1b;  //xy=503,170
AudioSynthWaveformModulatedTS waveformMod1a;  //xy=507,114
AudioSynthWaveformModulatedTS waveformMod2b;  //xy=513,550
AudioSynthWaveformModulatedTS waveformMod4a;  //xy=519,899
AudioSynthWaveformModulatedTS waveformMod2a;  //xy=521,458
AudioSynthWaveformModulatedTS waveformMod4b;  //xy=525,940
AudioSynthWaveformModulatedTS waveformMod3a;  //xy=532,678
AudioSynthWaveformModulatedTS waveformMod3b;  //xy=535,744
AudioSynthWaveformModulatedTS waveformMod5a;  //xy=521,458
AudioSynthWaveformModulatedTS waveformMod5b;  //xy=525,940
AudioSynthWaveformModulatedTS waveformMod6a;  //xy=532,678
AudioSynthWaveformModulatedTS waveformMod6b;  //xy=535,744
AudioSynthWaveformModulatedTS waveformMod7b;  //xy=503,170
AudioSynthWaveformModulatedTS waveformMod7a;  //xy=507,114
AudioSynthWaveformModulatedTS waveformMod8b;  //xy=513,550
AudioSynthWaveformModulatedTS waveformMod8a;  //xy=519,899


AudioSynthWaveformTS     pitchLfo;            //xy=122,111
AudioSynthWaveformTS     filterLfo;         //xy=166,632
AudioSynthWaveformTS     pwmLfoA;            //xy=92,208
AudioSynthWaveformTS     pwmLfoB;            //xy=92,208


AudioSynthNoisePink      pink;                //xy=268,349
AudioSynthNoiseWhite     white;                //xy=268,359
AudioAnalyzePeak         peak;


AudioEffectEnvelope      filterEnvelope1;   //xy=628,300
AudioEffectEnvelope      filterEnvelope2;   //xy=640,604
AudioEffectEnvelope      filterEnvelope3;   //xy=636,857
AudioEffectEnvelope      filterEnvelope4;   //xy=617,1107
AudioEffectEnvelope      filterEnvelope5;   //xy=638,300
AudioEffectEnvelope      filterEnvelope6;   //xy=629,1107
AudioEffectEnvelope      filterEnvelope7;   //xy=629,1107
AudioEffectEnvelope      filterEnvelope8;   //xy=638,300
AudioEffectEnvelope      ampEnvelope1;   //xy=1327,211
AudioEffectEnvelope      ampEnvelope2;   //xy=1315,503
AudioEffectEnvelope      ampEnvelope3;   //xy=1315,823
AudioEffectEnvelope      ampEnvelope4;   //xy=1321,1045
AudioEffectEnvelope      ampEnvelope5;   //xy=1321,1045
AudioEffectEnvelope      ampEnvelope6;   //xy=1327,211
AudioEffectEnvelope      ampEnvelope7;   //xy=1315,503
AudioEffectEnvelope      ampEnvelope8;   //xy=1315,823
AudioEffectWaveshaper     waveshaper1;        //xy=638,301
AudioEffectWaveshaper     waveshaper2;        //xy=638,302
AudioEffectWaveshaper     waveshaper3;        //xy=638,303
AudioEffectWaveshaper     waveshaper4;        //xy=638,304
AudioEffectWaveshaper     waveshaper5;        //xy=638,305
AudioEffectWaveshaper     waveshaper6;        //xy=638,306
AudioEffectWaveshaper     waveshaper7;        //xy=638,307
AudioEffectWaveshaper     waveshaper8;        //xy=638,308
AudioEffectWaveshaper     waveshaper9;        //xy=638,308
AudioEffectDigitalCombine oscFX1;       //xy=663,223
AudioEffectDigitalCombine oscFX2;       //xy=684,542
AudioEffectDigitalCombine oscFX4;       //xy=686,1046
AudioEffectDigitalCombine oscFX3;       //xy=687,803
AudioEffectDigitalCombine oscFX5;       //xy=686,1046
AudioEffectDigitalCombine oscFX6;       //xy=687,803
AudioEffectDigitalCombine oscFX7;       //xy=663,223
AudioEffectDigitalCombine oscFX8;       //xy=684,542
AudioEffectEnsemble      ensemble;  //xy=1800,600


AudioFilterStateVariable filter1;        //xy=1000,210
AudioFilterStateVariable filter2;        //xy=994,498
AudioFilterStateVariable filter3;        //xy=1002,822
AudioFilterStateVariable filter4;        //xy=1022,1047
AudioFilterStateVariable filter5;        //xy=1002,822
AudioFilterStateVariable filter6;        //xy=1022,1047
AudioFilterStateVariable filter7;        //xy=994,498
AudioFilterStateVariable filter8;        //xy=1000,210
AudioFilterStateVariable dcOffsetFilter; //xy=1564,580


AudioMixer4              oscGlobalModMixer; //xy=296,95
AudioMixer4              noiseMixer;        //xy=288,369
AudioMixer4              pwMixer1a;            //xy=281,169
AudioMixer4              pwMixer1b;            //xy=287,272
AudioMixer4              pwMixer2a;         //xy=323.75,472.75
AudioMixer4              pwMixer2b;         //xy=323.75,553.75
AudioMixer4              pwMixer3a;         //xy=353.75,688.75
AudioMixer4              pwMixer3b;         //xy=358.75,763.75
AudioMixer4              pwMixer4b;         //xy=313.75,954.75
AudioMixer4              pwMixer4a;         //xy=314.75,887.75
AudioMixer4              pwMixer5a;         //xy=323.75,472.75
AudioMixer4              pwMixer5b;         //xy=323.75,553.75
AudioMixer4              pwMixer6a;         //xy=353.75,688.75
AudioMixer4              pwMixer6b;         //xy=358.75,763.75
AudioMixer4              pwMixer7a;            //xy=281,169
AudioMixer4              pwMixer7b;            //xy=287,272
AudioMixer4              pwMixer8b;         //xy=313.75,954.75
AudioMixer4              pwMixer8a;         //xy=314.75,887.75
AudioMixer4              oscModMixer1a;         //xy=550,165
AudioMixer4              oscModMixer1b;         //xy=550,195
AudioMixer4              oscModMixer2a;         //xy=550,205
AudioMixer4              oscModMixer2b;         //xy=550,225
AudioMixer4              oscModMixer3a;         //xy=550,245
AudioMixer4              oscModMixer3b;         //xy=550,265
AudioMixer4              oscModMixer4a;         //xy=550,285
AudioMixer4              oscModMixer4b;         //xy=550,305
AudioMixer4              oscModMixer5a;         //xy=550,245
AudioMixer4              oscModMixer5b;         //xy=550,265
AudioMixer4              oscModMixer6a;         //xy=550,285
AudioMixer4              oscModMixer6b;         //xy=550,305
AudioMixer4              oscModMixer7a;         //xy=550,165
AudioMixer4              oscModMixer7b;         //xy=550,195
AudioMixer4              oscModMixer8a;         //xy=550,205
AudioMixer4              oscModMixer8b;         //xy=550,225
AudioMixer4              waveformMixer1; //xy=824,170
AudioMixer4              waveformMixer2; //xy=829,476
AudioMixer4              waveformMixer3; //xy=846,774
AudioMixer4              waveformMixer4; //xy=854,1023
AudioMixer4              waveformMixer5; //xy=846,774
AudioMixer4              waveformMixer6; //xy=854,1023
AudioMixer4              waveformMixer7; //xy=824,170
AudioMixer4              waveformMixer8; //xy=829,476
AudioMixer4              filterModMixer1;   //xy=845,292
AudioMixer4              filterModMixer2;   //xy=848,637
AudioMixer4              filterModMixer3;   //xy=852,937
AudioMixer4              filterModMixer4;   //xy=855,1099
AudioMixer4              filterModMixer5;   //xy=852,937
AudioMixer4              filterModMixer6;   //xy=855,1099
AudioMixer4              filterModMixer7;   //xy=845,292
AudioMixer4              filterModMixer8;   //xy=848,637
AudioMixer4              filterMixer1;   //xy=1151,214
AudioMixer4              filterMixer2;   //xy=1144,504
AudioMixer4              filterMixer3;   //xy=1144,825
AudioMixer4              filterMixer4;   //xy=1155,1050
AudioMixer4              filterMixer5;   //xy=1151,214
AudioMixer4              filterMixer6;   //xy=1155,1050
AudioMixer4              filterMixer7;   //xy=1144,504
AudioMixer4              filterMixer8;   //xy=1144,825
AudioMixer4              voiceMixer1;     //xy=1524,570
AudioMixer4              voiceMixer2;     //xy=1524,570
AudioMixer4              voiceMixer3;     //xy=1524,570
AudioMixer4              voiceMixerM;     //xy=1544,580
AudioMixer4              volumeMixer;     //xy=1544,580
AudioMixer4              effectMixerR;         //xy=1848,625
AudioMixer4              effectMixerL;         //xy=1857,539


// AudioSynthWaveformDc -------------------------------------------------
AudioConnection          patchCord1(constant1Dc, filterEnvelope1);
AudioConnection          patchCord2(constant1Dc, filterEnvelope2);
AudioConnection          patchCord3(constant1Dc, filterEnvelope3);
AudioConnection          patchCord4(constant1Dc, filterEnvelope4);
AudioConnection          patchCord5(constant1Dc, filterEnvelope5);
AudioConnection          patchCord6(constant1Dc, filterEnvelope6);
AudioConnection          patchCord7(constant1Dc, filterEnvelope7);
AudioConnection          patchCord8(constant1Dc, filterEnvelope8);


AudioConnection          patchCord20(pwa, 0, pwMixer1a, 1);
AudioConnection          patchCord21(pwa, 0, pwMixer2a, 1);
AudioConnection          patchCord22(pwa, 0, pwMixer3a, 1);
AudioConnection          patchCord23(pwa, 0, pwMixer4a, 1);
AudioConnection          patchCord24(pwb, 0, pwMixer5a, 1);
AudioConnection          patchCord25(pwb, 0, pwMixer6a, 1);
AudioConnection          patchCord26(pwb, 0, pwMixer7a, 1);
AudioConnection          patchCord27(pwb, 0, pwMixer8a, 1);
AudioConnection          patchCord28(pwa, 0, pwMixer1b, 1);
AudioConnection          patchCord29(pwb, 0, pwMixer2b, 1);
AudioConnection          patchCord30(pwa, 0, pwMixer3b, 1);
AudioConnection          patchCord31(pwb, 0, pwMixer4b, 1);
AudioConnection          patchCord32(pwa, 0, pwMixer5b, 1);
AudioConnection          patchCord33(pwb, 0, pwMixer6b, 1);
AudioConnection          patchCord34(pwa, 0, pwMixer7b, 1);
AudioConnection          patchCord35(pwb, 0, pwMixer8b, 1);


AudioConnection          patchCord40(pitchBend, 0, oscGlobalModMixer, 0);


AudioConnection          patchCord50(keytracking1, 0, filterModMixer1, 2);
AudioConnection          patchCord51(keytracking2, 0, filterModMixer2, 2);
AudioConnection          patchCord52(keytracking3, 0, filterModMixer3, 2);
AudioConnection          patchCord53(keytracking4, 0, filterModMixer4, 2);
AudioConnection          patchCord54(keytracking5, 0, filterModMixer5, 2);
AudioConnection          patchCord55(keytracking6, 0, filterModMixer6, 2);
AudioConnection          patchCord56(keytracking7, 0, filterModMixer7, 2);
AudioConnection          patchCord57(keytracking8, 0, filterModMixer8, 2);


AudioConnection          patchCord70(FilterVelo1, 0, filterModMixer1, 3);
AudioConnection          patchCord71(FilterVelo2, 0, filterModMixer2, 3);
AudioConnection          patchCord72(FilterVelo3, 0, filterModMixer3, 3);
AudioConnection          patchCord73(FilterVelo4, 0, filterModMixer4, 3);
AudioConnection          patchCord74(FilterVelo5, 0, filterModMixer5, 3);
AudioConnection          patchCord75(FilterVelo6, 0, filterModMixer6, 3);
AudioConnection          patchCord76(FilterVelo7, 0, filterModMixer7, 3);
AudioConnection          patchCord77(FilterVelo8, 0, filterModMixer8, 3);


AudioConnection          patchCord100(glide1, 0, oscModMixer1a, 2);
AudioConnection          patchCord101(glide1, 0, oscModMixer1b, 2);
AudioConnection          patchCord102(glide2, 0, oscModMixer2a, 2);
AudioConnection          patchCord103(glide2, 0, oscModMixer2b, 2);
AudioConnection          patchCord104(glide3, 0, oscModMixer3a, 2);
AudioConnection          patchCord105(glide3, 0, oscModMixer3b, 2);
AudioConnection          patchCord106(glide4, 0, oscModMixer4a, 2);
AudioConnection          patchCord107(glide4, 0, oscModMixer4b, 2);
AudioConnection          patchCord108(glide5, 0, oscModMixer5a, 2);
AudioConnection          patchCord109(glide5, 0, oscModMixer5b, 2);
AudioConnection          patchCord110(glide6, 0, oscModMixer6a, 2);
AudioConnection          patchCord111(glide6, 0, oscModMixer6b, 2);
AudioConnection          patchCord112(glide7, 0, oscModMixer7a, 2);
AudioConnection          patchCord113(glide7, 0, oscModMixer7b, 2);
AudioConnection          patchCord114(glide8, 0, oscModMixer8a, 2);
AudioConnection          patchCord115(glide8, 0, oscModMixer8b, 2);


// AudioSynthWaveformModulatedTS ----------------------------------------
AudioConnection          patchCord201(waveformMod1a, 0, waveformMixer1, 0);
AudioConnection          patchCord202(waveformMod2a, 0, waveformMixer2, 0);
AudioConnection          patchCord203(waveformMod3a, 0, waveformMixer3, 0);
AudioConnection          patchCord204(waveformMod4a, 0, waveformMixer4, 0);
AudioConnection          patchCord205(waveformMod5a, 0, waveformMixer5, 0);
AudioConnection          patchCord206(waveformMod6a, 0, waveformMixer6, 0);
AudioConnection          patchCord207(waveformMod7a, 0, waveformMixer7, 0);
AudioConnection          patchCord208(waveformMod8a, 0, waveformMixer8, 0);
AudioConnection          patchCord209(waveformMod1b, 0, waveformMixer1, 1);
AudioConnection          patchCord210(waveformMod2b, 0, waveformMixer2, 1);
AudioConnection          patchCord211(waveformMod3b, 0, waveformMixer3, 1);
AudioConnection          patchCord212(waveformMod4b, 0, waveformMixer4, 1);
AudioConnection          patchCord213(waveformMod5b, 0, waveformMixer5, 1);
AudioConnection          patchCord214(waveformMod6b, 0, waveformMixer6, 1);
AudioConnection          patchCord215(waveformMod7b, 0, waveformMixer7, 1);
AudioConnection          patchCord216(waveformMod8b, 0, waveformMixer8, 1);


AudioConnection          patchCord251(waveformMod1a, 0, oscModMixer1b, 3);
AudioConnection          patchCord252(waveformMod2a, 0, oscModMixer2b, 3);
AudioConnection          patchCord253(waveformMod3a, 0, oscModMixer3b, 3);
AudioConnection          patchCord254(waveformMod4a, 0, oscModMixer4b, 3);
AudioConnection          patchCord255(waveformMod5a, 0, oscModMixer5b, 3);
AudioConnection          patchCord256(waveformMod6a, 0, oscModMixer6b, 3);
AudioConnection          patchCord257(waveformMod7a, 0, oscModMixer7b, 3);
AudioConnection          patchCord258(waveformMod8a, 0, oscModMixer8b, 3);
AudioConnection          patchCord259(waveformMod1b, 0, oscModMixer1a, 3);
AudioConnection          patchCord260(waveformMod2b, 0, oscModMixer2a, 3);
AudioConnection          patchCord261(waveformMod3b, 0, oscModMixer3a, 3);
AudioConnection          patchCord262(waveformMod4b, 0, oscModMixer4a, 3);
AudioConnection          patchCord263(waveformMod5b, 0, oscModMixer5a, 3);
AudioConnection          patchCord264(waveformMod6b, 0, oscModMixer6a, 3);
AudioConnection          patchCord265(waveformMod7b, 0, oscModMixer7a, 3);
AudioConnection          patchCord266(waveformMod8b, 0, oscModMixer8a, 3);


AudioConnection          patchCord301(waveformMod1a, 0, oscFX1, 0);
AudioConnection          patchCord302(waveformMod2a, 0, oscFX2, 0);
AudioConnection          patchCord303(waveformMod3a, 0, oscFX3, 0);
AudioConnection          patchCord304(waveformMod4a, 0, oscFX4, 0);
AudioConnection          patchCord305(waveformMod5a, 0, oscFX5, 0);
AudioConnection          patchCord306(waveformMod6a, 0, oscFX6, 0);
AudioConnection          patchCord307(waveformMod7a, 0, oscFX7, 0);
AudioConnection          patchCord308(waveformMod8a, 0, oscFX8, 0);
AudioConnection          patchCord309(waveformMod1b, 0, oscFX1, 1);
AudioConnection          patchCord310(waveformMod2b, 0, oscFX2, 1);
AudioConnection          patchCord311(waveformMod3b, 0, oscFX3, 1);
AudioConnection          patchCord312(waveformMod4b, 0, oscFX4, 1);
AudioConnection          patchCord313(waveformMod5b, 0, oscFX5, 1);
AudioConnection          patchCord314(waveformMod6b, 0, oscFX6, 1);
AudioConnection          patchCord315(waveformMod7b, 0, oscFX7, 1);
AudioConnection          patchCord316(waveformMod8b, 0, oscFX8, 1);


// AudioSynthWaveformTS -------------------------------------------------
AudioConnection          patchCord351(pwmLfoA, 0, pwMixer1a, 0);
AudioConnection          patchCord352(pwmLfoB, 0, pwMixer2a, 0);
AudioConnection          patchCord353(pwmLfoA, 0, pwMixer3a, 0);
AudioConnection          patchCord354(pwmLfoB, 0, pwMixer4a, 0);
AudioConnection          patchCord355(pwmLfoA, 0, pwMixer5a, 0);
AudioConnection          patchCord356(pwmLfoB, 0, pwMixer6a, 0);
AudioConnection          patchCord357(pwmLfoA, 0, pwMixer7a, 0);
AudioConnection          patchCord358(pwmLfoB, 0, pwMixer8a, 0);
AudioConnection          patchCord359(pwmLfoA, 0, pwMixer1b, 0);
AudioConnection          patchCord360(pwmLfoB, 0, pwMixer2b, 0);
AudioConnection          patchCord361(pwmLfoA, 0, pwMixer3b, 0);
AudioConnection          patchCord362(pwmLfoB, 0, pwMixer4b, 0);
AudioConnection          patchCord363(pwmLfoA, 0, pwMixer5b, 0);
AudioConnection          patchCord364(pwmLfoB, 0, pwMixer6b, 0);
AudioConnection          patchCord365(pwmLfoA, 0, pwMixer7b, 0);
AudioConnection          patchCord366(pwmLfoB, 0, pwMixer8b, 0);


AudioConnection          patchCord401(filterLfo, 0, filterModMixer1, 1);
AudioConnection          patchCord402(filterLfo, 0, filterModMixer2, 1);
AudioConnection          patchCord403(filterLfo, 0, filterModMixer3, 1);
AudioConnection          patchCord404(filterLfo, 0, filterModMixer4, 1);
AudioConnection          patchCord405(filterLfo, 0, filterModMixer5, 1);
AudioConnection          patchCord406(filterLfo, 0, filterModMixer6, 1);
AudioConnection          patchCord407(filterLfo, 0, filterModMixer7, 1);
AudioConnection          patchCord408(filterLfo, 0, filterModMixer8, 1);


AudioConnection          patchCord420(pitchLfo, 0, oscGlobalModMixer, 1);


AudioConnection          patchCord421(pink, 0, noiseMixer, 0);
AudioConnection          patchCord422(white, 0, noiseMixer, 1);


// AudioEffectEnvelope --------------------------------------------------
AudioConnection          patchCord501(filterEnvelope1, 0, oscModMixer1a, 1);
AudioConnection          patchCord502(filterEnvelope1, 0, oscModMixer1b, 1);
AudioConnection          patchCord503(filterEnvelope2, 0, oscModMixer2a, 1);
AudioConnection          patchCord504(filterEnvelope2, 0, oscModMixer2b, 1);
AudioConnection          patchCord505(filterEnvelope3, 0, oscModMixer3a, 1);
AudioConnection          patchCord506(filterEnvelope3, 0, oscModMixer3b, 1);
AudioConnection          patchCord507(filterEnvelope4, 0, oscModMixer4a, 1);
AudioConnection          patchCord508(filterEnvelope4, 0, oscModMixer4b, 1);
AudioConnection          patchCord509(filterEnvelope5, 0, oscModMixer5a, 1);
AudioConnection          patchCord510(filterEnvelope5, 0, oscModMixer5b, 1);
AudioConnection          patchCord511(filterEnvelope6, 0, oscModMixer6a, 1);
AudioConnection          patchCord512(filterEnvelope6, 0, oscModMixer6b, 1);
AudioConnection          patchCord513(filterEnvelope7, 0, oscModMixer7a, 1);
AudioConnection          patchCord514(filterEnvelope7, 0, oscModMixer7b, 1);
AudioConnection          patchCord515(filterEnvelope8, 0, oscModMixer8a, 1);
AudioConnection          patchCord516(filterEnvelope8, 0, oscModMixer8b, 1);


AudioConnection          patchCord551(filterEnvelope1, 0, pwMixer1a, 2);
AudioConnection          patchCord552(filterEnvelope1, 0, pwMixer1b, 2);
AudioConnection          patchCord553(filterEnvelope2, 0, pwMixer2a, 2);
AudioConnection          patchCord554(filterEnvelope2, 0, pwMixer2b, 2);
AudioConnection          patchCord555(filterEnvelope3, 0, pwMixer3a, 2);
AudioConnection          patchCord556(filterEnvelope3, 0, pwMixer3b, 2);
AudioConnection          patchCord557(filterEnvelope4, 0, pwMixer4a, 2);
AudioConnection          patchCord558(filterEnvelope4, 0, pwMixer4b, 2);
AudioConnection          patchCord559(filterEnvelope5, 0, pwMixer5a, 2);
AudioConnection          patchCord560(filterEnvelope5, 0, pwMixer5b, 2);
AudioConnection          patchCord561(filterEnvelope6, 0, pwMixer6a, 2);
AudioConnection          patchCord562(filterEnvelope6, 0, pwMixer6b, 2);
AudioConnection          patchCord563(filterEnvelope7, 0, pwMixer7a, 2);
AudioConnection          patchCord564(filterEnvelope7, 0, pwMixer7b, 2);
AudioConnection          patchCord565(filterEnvelope8, 0, pwMixer8a, 2);
AudioConnection          patchCord566(filterEnvelope8, 0, pwMixer8b, 2);


AudioConnection          patchCord581(filterEnvelope1, 0, filterModMixer1, 0);
AudioConnection          patchCord582(filterEnvelope2, 0, filterModMixer2, 0);
AudioConnection          patchCord583(filterEnvelope3, 0, filterModMixer3, 0);
AudioConnection          patchCord584(filterEnvelope4, 0, filterModMixer4, 0);
AudioConnection          patchCord585(filterEnvelope5, 0, filterModMixer5, 0);
AudioConnection          patchCord586(filterEnvelope6, 0, filterModMixer6, 0);
AudioConnection          patchCord587(filterEnvelope7, 0, filterModMixer7, 0);
AudioConnection          patchCord588(filterEnvelope8, 0, filterModMixer8, 0);


// AudioEffectWaveshaper ------------------------------------------------
AudioConnection          patchCord601(ampEnvelope1, waveshaper1);
AudioConnection          patchCord602(ampEnvelope2, waveshaper2);
AudioConnection          patchCord603(ampEnvelope3, waveshaper3);
AudioConnection          patchCord604(ampEnvelope4, waveshaper4);
AudioConnection          patchCord605(ampEnvelope5, waveshaper5);
AudioConnection          patchCord606(ampEnvelope6, waveshaper6);
AudioConnection          patchCord607(ampEnvelope7, waveshaper7);
AudioConnection          patchCord608(ampEnvelope8, waveshaper8);


AudioConnection          patchCord631(waveshaper1, 0, voiceMixer1, 0);
AudioConnection          patchCord632(waveshaper2, 0, voiceMixer1, 1);
AudioConnection          patchCord633(waveshaper3, 0, voiceMixer1, 2);
AudioConnection          patchCord634(waveshaper4, 0, voiceMixer1, 3);
AudioConnection          patchCord635(waveshaper5, 0, voiceMixer2, 0);
AudioConnection          patchCord636(waveshaper6, 0, voiceMixer2, 1);
AudioConnection          patchCord637(waveshaper7, 0, voiceMixer2, 2);
AudioConnection          patchCord638(waveshaper8, 0, voiceMixer2, 3);


// AudioEffectDigitalCombine --------------------------------------------
AudioConnection          patchCord651(oscFX1, 0, waveformMixer1, 3);
AudioConnection          patchCord652(oscFX2, 0, waveformMixer2, 3);
AudioConnection          patchCord653(oscFX4, 0, waveformMixer4, 3);
AudioConnection          patchCord654(oscFX3, 0, waveformMixer3, 3);
AudioConnection          patchCord655(oscFX5, 0, waveformMixer5, 3);
AudioConnection          patchCord656(oscFX6, 0, waveformMixer6, 3);
AudioConnection          patchCord657(oscFX7, 0, waveformMixer7, 3);
AudioConnection          patchCord658(oscFX8, 0, waveformMixer8, 3);


// AudioFilterStateVariable ---------------------------------------------
AudioConnection          patchCord701(filter1, 0, filterMixer1, 0);
AudioConnection          patchCord702(filter1, 1, filterMixer1, 1);
AudioConnection          patchCord703(filter1, 2, filterMixer1, 2);
AudioConnection          patchCord704(filter2, 0, filterMixer2, 0);
AudioConnection          patchCord705(filter2, 1, filterMixer2, 1);
AudioConnection          patchCord706(filter2, 2, filterMixer2, 2);
AudioConnection          patchCord707(filter3, 0, filterMixer3, 0);
AudioConnection          patchCord708(filter3, 1, filterMixer3, 1);
AudioConnection          patchCord709(filter3, 2, filterMixer3, 2);
AudioConnection          patchCord710(filter4, 0, filterMixer4, 0);
AudioConnection          patchCord711(filter4, 1, filterMixer4, 1);
AudioConnection          patchCord712(filter4, 2, filterMixer4, 2);
AudioConnection          patchCord713(filter5, 0, filterMixer5, 0);
AudioConnection          patchCord714(filter5, 1, filterMixer5, 1);
AudioConnection          patchCord715(filter5, 2, filterMixer5, 2);
AudioConnection          patchCord716(filter6, 0, filterMixer6, 0);
AudioConnection          patchCord717(filter6, 1, filterMixer6, 1);
AudioConnection          patchCord718(filter6, 2, filterMixer6, 2);
AudioConnection          patchCord719(filter7, 0, filterMixer7, 0);
AudioConnection          patchCord720(filter7, 1, filterMixer7, 1);
AudioConnection          patchCord721(filter7, 2, filterMixer7, 2);
AudioConnection          patchCord722(filter8, 0, filterMixer8, 0);
AudioConnection          patchCord723(filter8, 1, filterMixer8, 1);
AudioConnection          patchCord724(filter8, 2, filterMixer8, 2);
AudioConnection          patchCord730(dcOffsetFilter, 2, volumeMixer, 0);
AudioConnection          patchCord731(dcOffsetFilter, 2, scope, 0);
AudioConnection          patchCord732(dcOffsetFilter, 2, peak, 0);


// Mixer ----------------------------------------------------------------
AudioConnection          patchCord751(noiseMixer, 0, waveformMixer1, 2);
AudioConnection          patchCord752(noiseMixer, 0, waveformMixer2, 2);
AudioConnection          patchCord753(noiseMixer, 0, waveformMixer3, 2);
AudioConnection          patchCord754(noiseMixer, 0, waveformMixer4, 2);
AudioConnection          patchCord755(noiseMixer, 0, waveformMixer5, 2);
AudioConnection          patchCord756(noiseMixer, 0, waveformMixer6, 2);
AudioConnection          patchCord757(noiseMixer, 0, waveformMixer7, 2);
AudioConnection          patchCord758(noiseMixer, 0, waveformMixer8, 2);


AudioConnection          patchCord771(pwMixer1a, 0, waveformMod1a, 1);
AudioConnection          patchCord772(pwMixer1b, 0, waveformMod1b, 1);
AudioConnection          patchCord773(pwMixer3b, 0, waveformMod3b, 1);
AudioConnection          patchCord774(pwMixer4b, 0, waveformMod4b, 1);
AudioConnection          patchCord775(pwMixer4a, 0, waveformMod4a, 1);
AudioConnection          patchCord776(pwMixer2a, 0, waveformMod2a, 1);
AudioConnection          patchCord777(pwMixer2b, 0, waveformMod2b, 1);
AudioConnection          patchCord778(pwMixer3a, 0, waveformMod3a, 1);
AudioConnection          patchCord779(pwMixer5a, 0, waveformMod5a, 1);
AudioConnection          patchCord780(pwMixer5b, 0, waveformMod5b, 1);
AudioConnection          patchCord781(pwMixer6a, 0, waveformMod6a, 1);
AudioConnection          patchCord782(pwMixer6b, 0, waveformMod6b, 1);
AudioConnection          patchCord783(pwMixer7a, 0, waveformMod7a, 1);
AudioConnection          patchCord784(pwMixer7b, 0, waveformMod7b, 1);
AudioConnection          patchCord785(pwMixer8a, 0, waveformMod8a, 1);
AudioConnection          patchCord786(pwMixer8b, 0, waveformMod8b, 1);


AudioConnection          patchCord801(oscGlobalModMixer, 0, oscModMixer1a, 0);
AudioConnection          patchCord802(oscGlobalModMixer, 0, oscModMixer1b, 0);
AudioConnection          patchCord803(oscGlobalModMixer, 0, oscModMixer2a, 0);
AudioConnection          patchCord804(oscGlobalModMixer, 0, oscModMixer2b, 0);
AudioConnection          patchCord805(oscGlobalModMixer, 0, oscModMixer3a, 0);
AudioConnection          patchCord806(oscGlobalModMixer, 0, oscModMixer3b, 0);
AudioConnection          patchCord807(oscGlobalModMixer, 0, oscModMixer4a, 0);
AudioConnection          patchCord808(oscGlobalModMixer, 0, oscModMixer4b, 0);
AudioConnection          patchCord809(oscGlobalModMixer, 0, oscModMixer5a, 0);
AudioConnection          patchCord810(oscGlobalModMixer, 0, oscModMixer5b, 0);
AudioConnection          patchCord811(oscGlobalModMixer, 0, oscModMixer6a, 0);
AudioConnection          patchCord812(oscGlobalModMixer, 0, oscModMixer6b, 0);
AudioConnection          patchCord813(oscGlobalModMixer, 0, oscModMixer7a, 0);
AudioConnection          patchCord814(oscGlobalModMixer, 0, oscModMixer7b, 0);
AudioConnection          patchCord815(oscGlobalModMixer, 0, oscModMixer8a, 0);
AudioConnection          patchCord816(oscGlobalModMixer, 0, oscModMixer8b, 0);


AudioConnection          patchCord831(filterModMixer1, 0, filter1, 1);
AudioConnection          patchCord832(filterModMixer2, 0, filter2, 1);
AudioConnection          patchCord833(filterModMixer3, 0, filter3, 1);
AudioConnection          patchCord834(filterModMixer4, 0, filter4, 1);
AudioConnection          patchCord835(filterModMixer5, 0, filter5, 1);
AudioConnection          patchCord836(filterModMixer6, 0, filter6, 1);
AudioConnection          patchCord837(filterModMixer7, 0, filter7, 1);
AudioConnection          patchCord838(filterModMixer8, 0, filter8, 1);


AudioConnection          patchCord851(filterMixer1, ampEnvelope1);
AudioConnection          patchCord852(filterMixer2, ampEnvelope2);
AudioConnection          patchCord853(filterMixer3, ampEnvelope3);
AudioConnection          patchCord854(filterMixer4, ampEnvelope4);
AudioConnection          patchCord855(filterMixer5, ampEnvelope5);
AudioConnection          patchCord856(filterMixer6, ampEnvelope6);
AudioConnection          patchCord857(filterMixer7, ampEnvelope7);
AudioConnection          patchCord858(filterMixer8, ampEnvelope8);


AudioConnection          patchCord871(oscModMixer1a, 0, waveformMod1a, 0);
AudioConnection          patchCord872(oscModMixer1b, 0, waveformMod1b, 0);
AudioConnection          patchCord873(oscModMixer2a, 0, waveformMod2a, 0);
AudioConnection          patchCord874(oscModMixer2b, 0, waveformMod2b, 0);
AudioConnection          patchCord875(oscModMixer3a, 0, waveformMod3a, 0);
AudioConnection          patchCord876(oscModMixer3b, 0, waveformMod3b, 0);
AudioConnection          patchCord877(oscModMixer4a, 0, waveformMod4a, 0);
AudioConnection          patchCord878(oscModMixer4b, 0, waveformMod4b, 0);
AudioConnection          patchCord879(oscModMixer5a, 0, waveformMod5a, 0);
AudioConnection          patchCord880(oscModMixer5b, 0, waveformMod5b, 0);
AudioConnection          patchCord881(oscModMixer6a, 0, waveformMod6a, 0);
AudioConnection          patchCord882(oscModMixer6b, 0, waveformMod6b, 0);
AudioConnection          patchCord883(oscModMixer7a, 0, waveformMod7a, 0);
AudioConnection          patchCord884(oscModMixer7b, 0, waveformMod7b, 0);
AudioConnection          patchCord885(oscModMixer8a, 0, waveformMod8a, 0);
AudioConnection          patchCord886(oscModMixer8b, 0, waveformMod8b, 0);


AudioConnection          patchCord901(voiceMixer1, 0, voiceMixerM, 0);
AudioConnection          patchCord902(voiceMixer2, 0, voiceMixerM, 1);
AudioConnection          patchCord903(voiceMixer3, 0, voiceMixerM, 2);


AudioConnection          patchCord921(voiceMixerM, 0, dcOffsetFilter, 0);
AudioConnection          patchCord922(dcOffsetFilter, 2, volumeMixer, 0);
AudioConnection          patchCord923(dcOffsetFilter, 2, scope, 0);
AudioConnection          patchCord924(dcOffsetFilter, 2, peak, 0);


AudioConnection          patchCord941(waveformMixer1, 0, filter1, 0);
AudioConnection          patchCord942(waveformMixer2, 0, filter2, 0);
AudioConnection          patchCord943(waveformMixer3, 0, filter3, 0);
AudioConnection          patchCord944(waveformMixer4, 0, filter4, 0);
AudioConnection          patchCord945(waveformMixer5, 0, filter5, 0);
AudioConnection          patchCord946(waveformMixer6, 0, filter6, 0);
AudioConnection          patchCord947(waveformMixer7, 0, filter7, 0);
AudioConnection          patchCord948(waveformMixer8, 0, filter8, 0);


AudioConnection          patchCord950(voiceMixer1, 0, voiceMixerM, 0);
AudioConnection          patchCord951(voiceMixer2, 0, voiceMixerM, 1);
AudioConnection          patchCord952(voiceMixer3, 0, voiceMixerM, 2);


AudioConnection          patchCord960(voiceMixerM, 0, dcOffsetFilter, 0);


AudioConnection          patchCord998(volumeMixer, 0, PCM5102A, 0);
AudioConnection          patchCord999(volumeMixer, 0, PCM5102A, 1);



Old order list without error
Code:
AudioOutputI2S			 PCM5102A;
AudioSynthWaveformDc     constant1Dc;    //xy=69.5,437
AudioSynthWaveformDc     FilterVelo1;    //xy=69.5,437
AudioSynthWaveformDc     FilterVelo2;    //xy=69.5,437
AudioSynthWaveformDc     FilterVelo3;    //xy=69.5,437
AudioSynthWaveformDc     FilterVelo4;    //xy=69.5,437
AudioSynthWaveformDc     FilterVelo5;    //xy=69.5,437
AudioSynthWaveformDc     FilterVelo6;    //xy=69.5,437
AudioSynthWaveformDc     FilterVelo7;    //xy=69.5,437
AudioSynthWaveformDc     FilterVelo8;    //xy=69.5,437


AudioSynthNoisePink      pink;           //xy=268,349
AudioSynthNoiseWhite     white;           //xy=268,359
AudioMixer4              noiseMixer;       //xy=288,369
AudioSynthWaveformTS     pwmLfoA;         //xy=92,208
AudioSynthWaveformTS     pwmLfoB;         //xy=92,208
AudioSynthWaveformDc     pwa;            //xy=107,256
AudioSynthWaveformDc     pwb;            //xy=110,301
AudioAnalyzePeak		 peak;
AudioEffectEnvelope      filterEnvelope1;   //xy=628,300
AudioEffectEnvelope      filterEnvelope2;   //xy=640,604
AudioEffectEnvelope      filterEnvelope3;   //xy=636,857
AudioEffectEnvelope      filterEnvelope4;   //xy=617,1107
AudioEffectEnvelope      filterEnvelope5;   //xy=638,300
AudioEffectEnvelope      filterEnvelope6;   //xy=629,1107
AudioEffectEnvelope      filterEnvelope7;   //xy=629,1107
AudioEffectEnvelope      filterEnvelope8;   //xy=638,300


AudioMixer4              pwMixer1a;       //xy=281,169
AudioMixer4              pwMixer1b;       //xy=287,272
AudioMixer4              pwMixer2a;         //xy=323.75,472.75
AudioMixer4              pwMixer2b;         //xy=323.75,553.75
AudioMixer4              pwMixer3a;         //xy=353.75,688.75
AudioMixer4              pwMixer3b;         //xy=358.75,763.75
AudioMixer4              pwMixer4b;         //xy=313.75,954.75
AudioMixer4              pwMixer4a;         //xy=314.75,887.75
AudioMixer4              pwMixer5a;         //xy=323.75,472.75
AudioMixer4              pwMixer5b;         //xy=323.75,553.75
AudioMixer4              pwMixer6a;         //xy=353.75,688.75
AudioMixer4              pwMixer6b;         //xy=358.75,763.75
AudioMixer4              pwMixer7a;			//xy=281,169
AudioMixer4              pwMixer7b;			//xy=287,272
AudioMixer4              pwMixer8b;         //xy=313.75,954.75
AudioMixer4              pwMixer8a;         //xy=314.75,887.75


AudioSynthWaveformTS     pitchLfo;         //xy=122,111
AudioSynthWaveformDc     glide1;          //xy=124,152
AudioSynthWaveformDc     glide2;          //xy=124,152
AudioSynthWaveformDc     glide3;          //xy=124,152
AudioSynthWaveformDc     glide4;          //xy=124,152
AudioSynthWaveformDc     glide5;          //xy=124,152
AudioSynthWaveformDc     glide6;          //xy=124,152
AudioSynthWaveformDc     glide7;          //xy=124,152
AudioSynthWaveformDc     glide8;          //xy=124,152


AudioSynthWaveformDc     pitchBend;      //xy=128,74
AudioSynthWaveformTS     filterLfo;         //xy=166,632
AudioSynthWaveformDc     keytracking1;    //xy=176,745
AudioSynthWaveformDc     keytracking2;    //xy=196,745
AudioSynthWaveformDc     keytracking3;    //xy=216,745
AudioSynthWaveformDc     keytracking4;    //xy=236,745
AudioSynthWaveformDc     keytracking5;    //xy=216,745
AudioSynthWaveformDc     keytracking6;    //xy=236,745
AudioSynthWaveformDc     keytracking7;    //xy=176,745
AudioSynthWaveformDc     keytracking8;    //xy=196,745


AudioMixer4              oscGlobalModMixer;    //xy=296,95
AudioMixer4              oscModMixer1a;         //xy=550,165
AudioMixer4              oscModMixer1b;         //xy=550,195
AudioMixer4              oscModMixer2a;         //xy=550,205
AudioMixer4              oscModMixer2b;         //xy=550,225
AudioMixer4              oscModMixer3a;         //xy=550,245
AudioMixer4              oscModMixer3b;         //xy=550,265
AudioMixer4              oscModMixer4a;         //xy=550,285
AudioMixer4              oscModMixer4b;         //xy=550,305
AudioMixer4              oscModMixer5a;         //xy=550,245
AudioMixer4              oscModMixer5b;         //xy=550,265
AudioMixer4              oscModMixer6a;         //xy=550,285
AudioMixer4              oscModMixer6b;         //xy=550,305
AudioMixer4              oscModMixer7a;         //xy=550,165
AudioMixer4              oscModMixer7b;         //xy=550,195
AudioMixer4              oscModMixer8a;         //xy=550,205
AudioMixer4              oscModMixer8b;         //xy=550,225


AudioSynthWaveformModulatedTS waveformMod1b;  //xy=503,170
AudioSynthWaveformModulatedTS waveformMod1a;  //xy=507,114
AudioSynthWaveformModulatedTS waveformMod2b;  //xy=513,550
AudioSynthWaveformModulatedTS waveformMod4a;  //xy=519,899
AudioSynthWaveformModulatedTS waveformMod2a;  //xy=521,458
AudioSynthWaveformModulatedTS waveformMod4b;  //xy=525,940
AudioSynthWaveformModulatedTS waveformMod3a;  //xy=532,678
AudioSynthWaveformModulatedTS waveformMod3b;  //xy=535,744
AudioSynthWaveformModulatedTS waveformMod5a;  //xy=521,458
AudioSynthWaveformModulatedTS waveformMod5b;  //xy=525,940
AudioSynthWaveformModulatedTS waveformMod6a;  //xy=532,678
AudioSynthWaveformModulatedTS waveformMod6b;  //xy=535,744
AudioSynthWaveformModulatedTS waveformMod7b;  //xy=503,170
AudioSynthWaveformModulatedTS waveformMod7a;  //xy=507,114
AudioSynthWaveformModulatedTS waveformMod8b;  //xy=513,550
AudioSynthWaveformModulatedTS waveformMod8a;  //xy=519,899




AudioEffectDigitalCombine oscFX1;       //xy=663,223
AudioEffectDigitalCombine oscFX2;       //xy=684,542
AudioEffectDigitalCombine oscFX4;       //xy=686,1046
AudioEffectDigitalCombine oscFX3;       //xy=687,803
AudioEffectDigitalCombine oscFX5;       //xy=686,1046
AudioEffectDigitalCombine oscFX6;       //xy=687,803
AudioEffectDigitalCombine oscFX7;       //xy=663,223
AudioEffectDigitalCombine oscFX8;       //xy=684,542


AudioEffectWaveshaper	 waveshaper1;		//xy=638,301
AudioEffectWaveshaper	 waveshaper2;		//xy=638,302
AudioEffectWaveshaper	 waveshaper3;		//xy=638,303
AudioEffectWaveshaper	 waveshaper4;		//xy=638,304
AudioEffectWaveshaper	 waveshaper5;		//xy=638,305
AudioEffectWaveshaper	 waveshaper6;		//xy=638,306
AudioEffectWaveshaper	 waveshaper7;		//xy=638,307
AudioEffectWaveshaper	 waveshaper8;		//xy=638,308
AudioEffectWaveshaper	 waveshaper9;		//xy=638,308


AudioMixer4              waveformMixer1; //xy=824,170
AudioMixer4              waveformMixer2; //xy=829,476
AudioMixer4              waveformMixer3; //xy=846,774
AudioMixer4              waveformMixer4; //xy=854,1023
AudioMixer4              waveformMixer5; //xy=846,774
AudioMixer4              waveformMixer6; //xy=854,1023
AudioMixer4              waveformMixer7; //xy=824,170
AudioMixer4              waveformMixer8; //xy=829,476


AudioMixer4              filterModMixer1;   //xy=845,292
AudioMixer4              filterModMixer2;   //xy=848,637
AudioMixer4              filterModMixer3;   //xy=852,937
AudioMixer4              filterModMixer4;   //xy=855,1099
AudioMixer4              filterModMixer5;   //xy=852,937
AudioMixer4              filterModMixer6;   //xy=855,1099
AudioMixer4              filterModMixer7;   //xy=845,292
AudioMixer4              filterModMixer8;   //xy=848,637


AudioFilterStateVariable filter1;        //xy=1000,210
AudioFilterStateVariable filter2;        //xy=994,498
AudioFilterStateVariable filter3;        //xy=1002,822
AudioFilterStateVariable filter4;        //xy=1022,1047
AudioFilterStateVariable filter5;        //xy=1002,822
AudioFilterStateVariable filter6;        //xy=1022,1047
AudioFilterStateVariable filter7;        //xy=994,498
AudioFilterStateVariable filter8;        //xy=1000,210


AudioMixer4              filterMixer1;   //xy=1151,214
AudioMixer4              filterMixer2;   //xy=1144,504
AudioMixer4              filterMixer3;   //xy=1144,825
AudioMixer4              filterMixer4;   //xy=1155,1050
AudioMixer4              filterMixer5;   //xy=1151,214
AudioMixer4              filterMixer6;   //xy=1155,1050
AudioMixer4              filterMixer7;   //xy=1144,504
AudioMixer4              filterMixer8;   //xy=1144,825


AudioEffectEnvelope      ampEnvelope1;   //xy=1327,211
AudioEffectEnvelope      ampEnvelope2;   //xy=1315,503
AudioEffectEnvelope      ampEnvelope3;   //xy=1315,823
AudioEffectEnvelope      ampEnvelope4;   //xy=1321,1045
AudioEffectEnvelope      ampEnvelope5;   //xy=1321,1045
AudioEffectEnvelope      ampEnvelope6;   //xy=1327,211
AudioEffectEnvelope      ampEnvelope7;   //xy=1315,503
AudioEffectEnvelope      ampEnvelope8;   //xy=1315,823


AudioMixer4              voiceMixer1;     //xy=1524,570
AudioMixer4              voiceMixer2;     //xy=1524,570
AudioMixer4              voiceMixer3;     //xy=1524,570
AudioMixer4              voiceMixerM;     //xy=1544,580
AudioFilterStateVariable dcOffsetFilter;     //xy=1564,580
AudioMixer4              volumeMixer;     //xy=1544,580
AudioEffectEnsemble      ensemble;  //xy=1800,600
Oscilloscope             scope;
AudioMixer4              effectMixerR;         //xy=1848,625
AudioMixer4              effectMixerL;         //xy=1857,539


AudioConnection          patchCord1(constant1Dc, filterEnvelope2);
AudioConnection          patchCord2(constant1Dc, filterEnvelope3);
AudioConnection          patchCord3(constant1Dc, filterEnvelope4);
AudioConnection          patchCord4(constant1Dc, filterEnvelope1);


AudioConnection          patchCord5(pwmLfoA, 0, pwMixer1a, 0);
AudioConnection          patchCord6(pwmLfoB, 0, pwMixer1b, 0);
AudioConnection          patchCord7(pwmLfoA, 0, pwMixer2a, 0);
AudioConnection          patchCord8(pwmLfoB, 0, pwMixer2b, 0);
AudioConnection          patchCord9(pwmLfoA, 0, pwMixer3a, 0);
AudioConnection          patchCord10(pwmLfoB, 0, pwMixer3b, 0);
AudioConnection          patchCord11(pwmLfoA, 0, pwMixer4a, 0);
AudioConnection          patchCord12(pwmLfoB, 0, pwMixer4b, 0);


AudioConnection          patchCord13(pwa, 0, pwMixer1a, 1);
AudioConnection          patchCord14(pwa, 0, pwMixer2a, 1);
AudioConnection          patchCord15(pwa, 0, pwMixer3a, 1);
AudioConnection          patchCord16(pwa, 0, pwMixer4a, 1);
AudioConnection          patchCord17(pwb, 0, pwMixer1b, 1);
AudioConnection          patchCord18(pwb, 0, pwMixer2b, 1);
AudioConnection          patchCord19(pwb, 0, pwMixer3b, 1);
AudioConnection          patchCord20(pwb, 0, pwMixer4b, 1);


AudioConnection          patchCord21(pitchLfo, 0, oscGlobalModMixer, 1);
AudioConnection          patchCord22(glide1, 0, oscModMixer1a, 2);
AudioConnection          patchCord23(pitchBend, 0, oscGlobalModMixer, 0);


AudioConnection          patchCord24(filterLfo, 0, filterModMixer1, 1);
AudioConnection          patchCord25(filterLfo, 0, filterModMixer2, 1);
AudioConnection          patchCord26(filterLfo, 0, filterModMixer3, 1);
AudioConnection          patchCord27(filterLfo, 0, filterModMixer4, 1);


AudioConnection          patchCord28(keytracking1, 0, filterModMixer1, 2);
AudioConnection          patchCord29(keytracking2, 0, filterModMixer2, 2);
AudioConnection          patchCord30(keytracking3, 0, filterModMixer3, 2);
AudioConnection          patchCord31(keytracking4, 0, filterModMixer4, 2);


AudioConnection          patchCord32(noiseMixer, 0, waveformMixer1, 2);
AudioConnection          patchCord33(noiseMixer, 0, waveformMixer2, 2);
AudioConnection          patchCord34(noiseMixer, 0, waveformMixer3, 2);
AudioConnection          patchCord35(noiseMixer, 0, waveformMixer4, 2);


AudioConnection          patchCord36(pwMixer1a, 0, waveformMod1a, 1);
AudioConnection          patchCord37(pwMixer1b, 0, waveformMod1b, 1);
AudioConnection          patchCord38(pwMixer3b, 0, waveformMod3b, 1);


AudioConnection          patchCord39(oscGlobalModMixer, 0, oscModMixer1a, 0);
AudioConnection          patchCord40(oscGlobalModMixer, 0, oscModMixer1b, 0);
AudioConnection          patchCord41(oscGlobalModMixer, 0, oscModMixer2a, 0);
AudioConnection          patchCord42(oscGlobalModMixer, 0, oscModMixer2b, 0);
AudioConnection          patchCord43(oscGlobalModMixer, 0, oscModMixer3a, 0);
AudioConnection          patchCord44(oscGlobalModMixer, 0, oscModMixer3b, 0);
AudioConnection          patchCord45(oscGlobalModMixer, 0, oscModMixer4a, 0);
AudioConnection          patchCord46(oscGlobalModMixer, 0, oscModMixer4b, 0);


AudioConnection          patchCord47(pwMixer4b, 0, waveformMod4b, 1);
AudioConnection          patchCord48(pwMixer4a, 0, waveformMod4a, 1);
AudioConnection          patchCord49(pwMixer2a, 0, waveformMod2a, 1);
AudioConnection          patchCord50(pwMixer2b, 0, waveformMod2b, 1);
AudioConnection          patchCord51(pwMixer3a, 0, waveformMod3a, 1);


AudioConnection          patchCord52(waveformMod1b, 0, waveformMixer1, 1);
AudioConnection          patchCord53(waveformMod1b, 0, oscFX1, 1);
AudioConnection          patchCord54(waveformMod1a, 0, waveformMixer1, 0);
AudioConnection          patchCord55(waveformMod1a, 0, oscFX1, 0);
AudioConnection          patchCord56(waveformMod2b, 0, waveformMixer2, 1);
AudioConnection          patchCord57(waveformMod2b, 0, oscFX2, 1);
AudioConnection          patchCord58(waveformMod4a, 0, waveformMixer4, 0);
AudioConnection          patchCord59(waveformMod4a, 0, oscFX4, 0);
AudioConnection          patchCord60(waveformMod2a, 0, waveformMixer2, 0);
AudioConnection          patchCord61(waveformMod2a, 0, oscFX2, 0);
AudioConnection          patchCord62(waveformMod4b, 0, waveformMixer4, 1);
AudioConnection          patchCord63(waveformMod4b, 0, oscFX4, 1);
AudioConnection          patchCord64(waveformMod3a, 0, oscFX3, 0);
AudioConnection          patchCord65(waveformMod3a, 0, waveformMixer3, 0);
AudioConnection          patchCord66(waveformMod3b, 0, oscFX3, 1);
AudioConnection          patchCord67(waveformMod3b, 0, waveformMixer3, 1);


AudioConnection          patchCord68(filterEnvelope4, 0, filterModMixer4, 0);
AudioConnection          patchCord69(filterEnvelope4, 0, pwMixer4a, 2);
AudioConnection          patchCord70(filterEnvelope4, 0, pwMixer4b, 2);
AudioConnection          patchCord71(filterEnvelope1, 0, filterModMixer1, 0);
AudioConnection          patchCord72(filterEnvelope1, 0, pwMixer1a, 2);
AudioConnection          patchCord73(filterEnvelope1, 0, pwMixer1b, 2);
AudioConnection          patchCord74(filterEnvelope3, 0, filterModMixer3, 0);
AudioConnection          patchCord75(filterEnvelope3, 0, pwMixer3a, 2);
AudioConnection          patchCord76(filterEnvelope3, 0, pwMixer3b, 2);
AudioConnection          patchCord77(filterEnvelope2, 0, filterModMixer2, 0);
AudioConnection          patchCord78(filterEnvelope2, 0, pwMixer2a, 2);
AudioConnection          patchCord79(filterEnvelope2, 0, pwMixer2b, 2);


AudioConnection          patchCord80(oscFX1, 0, waveformMixer1, 3);
AudioConnection          patchCord81(oscFX2, 0, waveformMixer2, 3);
AudioConnection          patchCord82(oscFX4, 0, waveformMixer4, 3);
AudioConnection          patchCord83(oscFX3, 0, waveformMixer3, 3);


AudioConnection          patchCord86(filterModMixer1, 0, filter1, 1);
AudioConnection          patchCord88(filterModMixer2, 0, filter2, 1);
AudioConnection          patchCord89(filterModMixer3, 0, filter3, 1);
AudioConnection          patchCord91(filterModMixer4, 0, filter4, 1);


AudioConnection          patchCord95(filter1, 0, filterMixer1, 0);
AudioConnection          patchCord96(filter1, 1, filterMixer1, 1);
AudioConnection          patchCord97(filter1, 2, filterMixer1, 2);
AudioConnection          patchCord92(filter2, 0, filterMixer2, 0);
AudioConnection          patchCord93(filter2, 1, filterMixer2, 1);
AudioConnection          patchCord94(filter2, 2, filterMixer2, 2);
AudioConnection          patchCord98(filter3, 0, filterMixer3, 0);
AudioConnection          patchCord99(filter3, 1, filterMixer3, 1);
AudioConnection          patchCord100(filter3, 2, filterMixer3, 2);
AudioConnection          patchCord101(filter4, 0, filterMixer4, 0);
AudioConnection          patchCord102(filter4, 1, filterMixer4, 1);
AudioConnection          patchCord103(filter4, 2, filterMixer4, 2);


AudioConnection          patchCord106(filterMixer1, ampEnvelope1);
AudioConnection          patchCord104(filterMixer2, ampEnvelope2);
AudioConnection          patchCord105(filterMixer3, ampEnvelope3);
AudioConnection          patchCord107(filterMixer4, ampEnvelope4);


AudioConnection          patchCord121(oscModMixer1a, 0, waveformMod1a, 0);
AudioConnection          patchCord122(oscModMixer1b, 0, waveformMod1b, 0);
AudioConnection          patchCord123(oscModMixer2a, 0, waveformMod2a, 0);
AudioConnection          patchCord124(oscModMixer2b, 0, waveformMod2b, 0);
AudioConnection          patchCord125(oscModMixer3a, 0, waveformMod3a, 0);
AudioConnection          patchCord126(oscModMixer3b, 0, waveformMod3b, 0);
AudioConnection          patchCord127(oscModMixer4a, 0, waveformMod4a, 0);
AudioConnection          patchCord128(oscModMixer4b, 0, waveformMod4b, 0);


AudioConnection          patchCord129(filterEnvelope1, 0, oscModMixer1a, 1);
AudioConnection          patchCord130(filterEnvelope1, 0, oscModMixer1b, 1);
AudioConnection          patchCord131(filterEnvelope2, 0, oscModMixer2a, 1);
AudioConnection          patchCord132(filterEnvelope2, 0, oscModMixer2b, 1);
AudioConnection          patchCord133(filterEnvelope3, 0, oscModMixer3a, 1);
AudioConnection          patchCord134(filterEnvelope3, 0, oscModMixer3b, 1);
AudioConnection          patchCord135(filterEnvelope4, 0, oscModMixer4a, 1);
AudioConnection          patchCord136(filterEnvelope4, 0, oscModMixer4b, 1);


AudioConnection          patchCord137(pink, 0, noiseMixer, 0);
AudioConnection          patchCord138(white, 0, noiseMixer, 1);


AudioConnection          patchCord139(pwmLfoA, 0, pwMixer5a, 0);
AudioConnection          patchCord140(pwmLfoB, 0, pwMixer5b, 0);
AudioConnection          patchCord141(pwmLfoA, 0, pwMixer6a, 0);
AudioConnection          patchCord142(pwmLfoB, 0, pwMixer6b, 0);


AudioConnection          patchCord143(pwa, 0, pwMixer5a, 1);
AudioConnection          patchCord144(pwb, 0, pwMixer5b, 1);
AudioConnection          patchCord145(pwa, 0, pwMixer6a, 1);
AudioConnection          patchCord146(pwb, 0, pwMixer6b, 1);


AudioConnection          patchCord147(filterLfo, 0, filterModMixer5, 1);
AudioConnection          patchCord148(filterLfo, 0, filterModMixer6, 1);


AudioConnection          patchCord149(keytracking5, 0, filterModMixer5, 2);
AudioConnection          patchCord150(keytracking6, 0, filterModMixer6, 2);


AudioConnection          patchCord151(noiseMixer, 0, waveformMixer5, 2);
AudioConnection          patchCord152(noiseMixer, 0, waveformMixer6, 2);


AudioConnection          patchCord153(oscGlobalModMixer, 0, oscModMixer5a, 0);
AudioConnection          patchCord154(oscGlobalModMixer, 0, oscModMixer5b, 0);
AudioConnection          patchCord155(oscGlobalModMixer, 0, oscModMixer6a, 0);
AudioConnection          patchCord156(oscGlobalModMixer, 0, oscModMixer6b, 0);


AudioConnection          patchCord157(oscModMixer5a, 0, waveformMod5a, 0);
AudioConnection          patchCord158(oscModMixer5b, 0, waveformMod5b, 0);
AudioConnection          patchCord159(oscModMixer6a, 0, waveformMod6a, 0);
AudioConnection          patchCord160(oscModMixer6b, 0, waveformMod6b, 0);


AudioConnection          patchCord161(filterEnvelope5, 0, oscModMixer5a, 1);
AudioConnection          patchCord162(filterEnvelope5, 0, oscModMixer5b, 1);
AudioConnection          patchCord163(filterEnvelope6, 0, oscModMixer6a, 1);
AudioConnection          patchCord164(filterEnvelope6, 0, oscModMixer6b, 1);


AudioConnection          patchCord165(pwMixer5a, 0, waveformMod5a, 1);
AudioConnection          patchCord166(pwMixer5b, 0, waveformMod5b, 1);
AudioConnection          patchCord167(pwMixer6a, 0, waveformMod6a, 1);
AudioConnection          patchCord168(pwMixer6b, 0, waveformMod6b, 1);


AudioConnection          patchCord169(waveformMod5a, 0, waveformMixer5, 0);
AudioConnection          patchCord170(waveformMod5a, 0, oscFX5, 0);
AudioConnection          patchCord171(waveformMod5b, 0, waveformMixer5, 1);
AudioConnection          patchCord172(waveformMod5b, 0, oscFX5, 1);
AudioConnection          patchCord173(waveformMod6a, 0, waveformMixer6, 0);
AudioConnection          patchCord174(waveformMod6a, 0, oscFX6, 0);
AudioConnection          patchCord175(waveformMod6b, 0, waveformMixer6, 1);
AudioConnection          patchCord176(waveformMod6b, 0, oscFX6, 1);


AudioConnection          patchCord177(filterEnvelope5, 0, filterModMixer5, 0);
AudioConnection          patchCord178(filterEnvelope5, 0, pwMixer5a, 2);
AudioConnection          patchCord179(filterEnvelope5, 0, pwMixer5b, 2);
AudioConnection          patchCord180(filterEnvelope6, 0, filterModMixer6, 0);
AudioConnection          patchCord181(filterEnvelope6, 0, pwMixer6a, 2);
AudioConnection          patchCord182(filterEnvelope6, 0, pwMixer6b, 2);


AudioConnection          patchCord183(oscFX5, 0, waveformMixer5, 3);
AudioConnection          patchCord184(oscFX6, 0, waveformMixer6, 3);


AudioConnection          patchCord186(filterModMixer5, 0, filter5, 1);
AudioConnection          patchCord188(filterModMixer6, 0, filter6, 1);


AudioConnection          patchCord189(filter5, 1, filterMixer5, 1);
AudioConnection          patchCord190(filter5, 2, filterMixer5, 2);
AudioConnection          patchCord191(filter6, 1, filterMixer6, 1);
AudioConnection          patchCord192(filter6, 2, filterMixer6, 2);


AudioConnection          patchCord193(filterMixer5, ampEnvelope5);
AudioConnection          patchCord194(filterMixer6, ampEnvelope6);


AudioConnection          patchCord197(voiceMixer1, 0, voiceMixerM, 0);
AudioConnection          patchCord198(voiceMixer2, 0, voiceMixerM, 1);


AudioConnection          patchCord199(constant1Dc, filterEnvelope5);
AudioConnection          patchCord200(constant1Dc, filterEnvelope6);


AudioConnection          patchCord201(filter5, 0, filterMixer5, 0);
AudioConnection          patchCord202(filter6, 0, filterMixer6, 0);


AudioConnection          patchCord203(voiceMixerM, 0, dcOffsetFilter, 0);


AudioConnection          patchCord204(glide1, 0, oscModMixer1b, 2);
AudioConnection          patchCord205(glide2, 0, oscModMixer2a, 2);
AudioConnection          patchCord206(glide2, 0, oscModMixer2b, 2);
AudioConnection          patchCord207(glide3, 0, oscModMixer3a, 2);
AudioConnection          patchCord208(glide3, 0, oscModMixer3b, 2);
AudioConnection          patchCord209(glide4, 0, oscModMixer4a, 2);
AudioConnection          patchCord210(glide4, 0, oscModMixer4b, 2);
AudioConnection          patchCord211(glide5, 0, oscModMixer5a, 2);
AudioConnection          patchCord212(glide5, 0, oscModMixer5b, 2);
AudioConnection          patchCord213(glide6, 0, oscModMixer6a, 2);
AudioConnection          patchCord214(glide6, 0, oscModMixer6b, 2);


AudioConnection          patchCord215(voiceMixer3, 0, voiceMixerM, 2);


AudioConnection          patchCord222(filterMixer7, ampEnvelope7);
AudioConnection          patchCord223(filterMixer8, ampEnvelope8);


AudioConnection          patchCord228(constant1Dc, filterEnvelope7);
AudioConnection          patchCord229(constant1Dc, filterEnvelope8);


AudioConnection          patchCord234(pwmLfoA, 0, pwMixer7a, 0);
AudioConnection          patchCord235(pwmLfoB, 0, pwMixer7b, 0);
AudioConnection          patchCord236(pwmLfoA, 0, pwMixer8a, 0);
AudioConnection          patchCord237(pwmLfoB, 0, pwMixer8b, 0);


AudioConnection          patchCord246(pwa, 0, pwMixer7a, 1);
AudioConnection          patchCord247(pwb, 0, pwMixer7b, 1);
AudioConnection          patchCord248(pwa, 0, pwMixer8a, 1);
AudioConnection          patchCord249(pwb, 0, pwMixer8b, 1);


AudioConnection          patchCord258(filterLfo, 0, filterModMixer7, 1);
AudioConnection          patchCord259(filterLfo, 0, filterModMixer8, 1);


AudioConnection          patchCord264(keytracking7, 0, filterModMixer7, 2);
AudioConnection          patchCord265(keytracking8, 0, filterModMixer8, 2);


AudioConnection          patchCord270(noiseMixer, 0, waveformMixer7, 2);
AudioConnection          patchCord271(noiseMixer, 0, waveformMixer8, 2);


AudioConnection          patchCord276(pwMixer7a, 0, waveformMod7a, 1);
AudioConnection          patchCord277(pwMixer7b, 0, waveformMod7b, 1);
AudioConnection          patchCord278(pwMixer8a, 0, waveformMod8a, 1);
AudioConnection          patchCord279(pwMixer8b, 0, waveformMod8b, 1);


AudioConnection          patchCord288(oscGlobalModMixer, 0, oscModMixer7a, 0);
AudioConnection          patchCord289(oscGlobalModMixer, 0, oscModMixer7b, 0);
AudioConnection          patchCord290(oscGlobalModMixer, 0, oscModMixer8a, 0);
AudioConnection          patchCord291(oscGlobalModMixer, 0, oscModMixer8b, 0);


AudioConnection          patchCord300(waveformMod7b, 0, waveformMixer7, 1);
AudioConnection          patchCord301(waveformMod7b, 0, oscFX7, 1);
AudioConnection          patchCord302(waveformMod7a, 0, waveformMixer7, 0);
AudioConnection          patchCord303(waveformMod7a, 0, oscFX7, 0);
AudioConnection          patchCord304(waveformMod8b, 0, waveformMixer8, 1);
AudioConnection          patchCord305(waveformMod8b, 0, oscFX8, 1);
AudioConnection          patchCord308(waveformMod8a, 0, waveformMixer8, 0);
AudioConnection          patchCord309(waveformMod8a, 0, oscFX8, 0);


AudioConnection          patchCord327(filterEnvelope7, 0, filterModMixer7, 0);
AudioConnection          patchCord328(filterEnvelope7, 0, pwMixer7a, 2);
AudioConnection          patchCord329(filterEnvelope7, 0, pwMixer7b, 2);
AudioConnection          patchCord333(filterEnvelope8, 0, filterModMixer8, 0);
AudioConnection          patchCord334(filterEnvelope8, 0, pwMixer8a, 2);
AudioConnection          patchCord335(filterEnvelope8, 0, pwMixer8b, 2);


AudioConnection          patchCord342(oscFX7, 0, waveformMixer7, 3);
AudioConnection          patchCord343(oscFX8, 0, waveformMixer8, 3);


AudioConnection          patchCord350(filterModMixer7, 0, filter7, 1);
AudioConnection          patchCord352(filterModMixer8, 0, filter8, 1);


AudioConnection          patchCord361(filter8, 0, filterMixer8, 0);
AudioConnection          patchCord362(filter8, 1, filterMixer8, 1);
AudioConnection          patchCord363(filter8, 2, filterMixer8, 2);
AudioConnection          patchCord364(filter7, 0, filterMixer7, 0);
AudioConnection          patchCord365(filter7, 1, filterMixer7, 1);
AudioConnection          patchCord366(filter7, 2, filterMixer7, 2);


AudioConnection          patchCord379(oscModMixer7a, 0, waveformMod7a, 0);
AudioConnection          patchCord380(oscModMixer7b, 0, waveformMod7b, 0);
AudioConnection          patchCord381(oscModMixer8a, 0, waveformMod8a, 0);
AudioConnection          patchCord382(oscModMixer8b, 0, waveformMod8b, 0);


AudioConnection          patchCord391(filterEnvelope7, 0, oscModMixer7a, 1);
AudioConnection          patchCord392(filterEnvelope7, 0, oscModMixer7b, 1);
AudioConnection          patchCord393(filterEnvelope8, 0, oscModMixer8a, 1);
AudioConnection          patchCord394(filterEnvelope8, 0, oscModMixer8b, 1);


AudioConnection          patchCord403(glide7, 0, oscModMixer7a, 2);
AudioConnection          patchCord404(glide7, 0, oscModMixer7b, 2);
AudioConnection          patchCord405(glide8, 0, oscModMixer8a, 2);
AudioConnection          patchCord406(glide8, 0, oscModMixer8b, 2);


AudioConnection          patchCord415(dcOffsetFilter, 2, scope, 0);
AudioConnection          patchCord416(dcOffsetFilter, 2, peak, 0);


AudioConnection          patchCord417(waveformMod1b, 0, oscModMixer1a, 3);
AudioConnection          patchCord418(waveformMod2b, 0, oscModMixer2a, 3);
AudioConnection          patchCord419(waveformMod3b, 0, oscModMixer3a, 3);
AudioConnection          patchCord420(waveformMod4b, 0, oscModMixer4a, 3);
AudioConnection          patchCord421(waveformMod5b, 0, oscModMixer5a, 3);
AudioConnection          patchCord422(waveformMod6b, 0, oscModMixer6a, 3);
AudioConnection          patchCord423(waveformMod7b, 0, oscModMixer7a, 3);
AudioConnection          patchCord424(waveformMod8b, 0, oscModMixer8a, 3);


AudioConnection          patchCord429(waveformMod1a, 0, oscModMixer1b, 3);
AudioConnection          patchCord430(waveformMod2a, 0, oscModMixer2b, 3);
AudioConnection          patchCord431(waveformMod3a, 0, oscModMixer3b, 3);
AudioConnection          patchCord432(waveformMod4a, 0, oscModMixer4b, 3);
AudioConnection          patchCord433(waveformMod5a, 0, oscModMixer5b, 3);
AudioConnection          patchCord434(waveformMod6a, 0, oscModMixer6b, 3);
AudioConnection          patchCord435(waveformMod7a, 0, oscModMixer7b, 3);
AudioConnection          patchCord436(waveformMod8a, 0, oscModMixer8b, 3);


AudioConnection          patchCord441(dcOffsetFilter, 2, volumeMixer, 0);


AudioConnection          patchCord551(FilterVelo1, 0, filterModMixer1, 3);
AudioConnection          patchCord552(FilterVelo2, 0, filterModMixer2, 3);
AudioConnection          patchCord553(FilterVelo3, 0, filterModMixer3, 3);
AudioConnection          patchCord554(FilterVelo4, 0, filterModMixer4, 3);
AudioConnection          patchCord555(FilterVelo5, 0, filterModMixer5, 3);
AudioConnection          patchCord556(FilterVelo6, 0, filterModMixer6, 3);
AudioConnection          patchCord557(FilterVelo7, 0, filterModMixer7, 3);
AudioConnection          patchCord558(FilterVelo8, 0, filterModMixer8, 3);


AudioConnection          patchCord809(waveformMixer1, 0, filter1, 0);
AudioConnection          patchCord810(waveformMixer2, 0, filter2, 0);
AudioConnection          patchCord811(waveformMixer3, 0, filter3, 0);
AudioConnection          patchCord812(waveformMixer4, 0, filter4, 0);
AudioConnection          patchCord813(waveformMixer5, 0, filter5, 0);
AudioConnection          patchCord814(waveformMixer6, 0, filter6, 0);
AudioConnection          patchCord815(waveformMixer7, 0, filter7, 0);
AudioConnection          patchCord816(waveformMixer8, 0, filter8, 0);


AudioConnection          patchCord901(ampEnvelope1, waveshaper1);
AudioConnection          patchCord902(ampEnvelope2, waveshaper2);
AudioConnection          patchCord903(ampEnvelope3, waveshaper3);
AudioConnection          patchCord904(ampEnvelope4, waveshaper4);
AudioConnection          patchCord905(ampEnvelope5, waveshaper5);
AudioConnection          patchCord906(ampEnvelope6, waveshaper6);
AudioConnection          patchCord907(ampEnvelope7, waveshaper7);
AudioConnection          patchCord908(ampEnvelope8, waveshaper8);


AudioConnection          patchCord909(waveshaper1, 0, voiceMixer1, 0);
AudioConnection          patchCord910(waveshaper2, 0, voiceMixer1, 1);
AudioConnection          patchCord911(waveshaper3, 0, voiceMixer1, 2);
AudioConnection          patchCord912(waveshaper4, 0, voiceMixer1, 3);
AudioConnection          patchCord913(waveshaper5, 0, voiceMixer2, 0);
AudioConnection          patchCord914(waveshaper6, 0, voiceMixer2, 1);
AudioConnection          patchCord915(waveshaper7, 0, voiceMixer2, 2);
AudioConnection          patchCord916(waveshaper8, 0, voiceMixer2, 3);


AudioConnection          patchCord950(voiceMixer1, 0, voiceMixerM, 0);
AudioConnection          patchCord951(voiceMixer2, 0, voiceMixerM, 1);
AudioConnection          patchCord952(voiceMixer3, 0, voiceMixerM, 2);
AudioConnection          patchCord953(voiceMixerM, 0, dcOffsetFilter, 0);
AudioConnection          patchCord954(dcOffsetFilter, 2, volumeMixer, 0);
AudioConnection          patchCord955(dcOffsetFilter, 2, scope, 0);
AudioConnection          patchCord956(dcOffsetFilter, 2, peak, 0);


AudioConnection          patchCord998(volumeMixer, 0, PCM5102A, 0);
AudioConnection          patchCord999(volumeMixer, 0, PCM5102A, 1);

Thanks for help. Rolf
 
Last edited:
OK. I found the mistake :rolleyes:

It was the position of the waveformMods at the top of the list.

The oscillator definition (waveformMod) was below in the old list.

The numbering of the audioConnection had no effect.

My new audioConnection list:
Code:
AudioOutputI2S			 PCM5102A;


AudioSynthWaveformDc     constant1Dc;    //xy=69.5,437
AudioSynthWaveformDc     pitchBend;      //xy=128,74
AudioSynthWaveformDc     pwa;            //xy=107,256
AudioSynthWaveformDc     pwb;            //xy=110,301


AudioSynthWaveformDc     FilterVelo1;    //xy=69.5,437
AudioSynthWaveformDc     FilterVelo2;    //xy=69.5,437
AudioSynthWaveformDc     FilterVelo3;    //xy=69.5,437
AudioSynthWaveformDc     FilterVelo4;    //xy=69.5,437
AudioSynthWaveformDc     FilterVelo5;    //xy=69.5,437
AudioSynthWaveformDc     FilterVelo6;    //xy=69.5,437
AudioSynthWaveformDc     FilterVelo7;    //xy=69.5,437
AudioSynthWaveformDc     FilterVelo8;    //xy=69.5,437


AudioSynthWaveformDc     glide1;          //xy=124,152
AudioSynthWaveformDc     glide2;          //xy=124,152
AudioSynthWaveformDc     glide3;          //xy=124,152
AudioSynthWaveformDc     glide4;          //xy=124,152
AudioSynthWaveformDc     glide5;          //xy=124,152
AudioSynthWaveformDc     glide6;          //xy=124,152
AudioSynthWaveformDc     glide7;          //xy=124,152
AudioSynthWaveformDc     glide8;          //xy=124,152


AudioSynthWaveformDc     keytracking1;    //xy=176,745
AudioSynthWaveformDc     keytracking2;    //xy=196,745
AudioSynthWaveformDc     keytracking3;    //xy=216,745
AudioSynthWaveformDc     keytracking4;    //xy=236,745
AudioSynthWaveformDc     keytracking5;    //xy=216,745
AudioSynthWaveformDc     keytracking6;    //xy=236,745
AudioSynthWaveformDc     keytracking7;    //xy=176,745
AudioSynthWaveformDc     keytracking8;    //xy=196,745


AudioSynthWaveformModulatedTS waveformMod1b;  //xy=503,170
AudioSynthWaveformModulatedTS waveformMod1a;  //xy=507,114
AudioSynthWaveformModulatedTS waveformMod2b;  //xy=513,550
AudioSynthWaveformModulatedTS waveformMod4a;  //xy=519,899
AudioSynthWaveformModulatedTS waveformMod2a;  //xy=521,458
AudioSynthWaveformModulatedTS waveformMod4b;  //xy=525,940
AudioSynthWaveformModulatedTS waveformMod3a;  //xy=532,678
AudioSynthWaveformModulatedTS waveformMod3b;  //xy=535,744
AudioSynthWaveformModulatedTS waveformMod5a;  //xy=521,458
AudioSynthWaveformModulatedTS waveformMod5b;  //xy=525,940
AudioSynthWaveformModulatedTS waveformMod6a;  //xy=532,678
AudioSynthWaveformModulatedTS waveformMod6b;  //xy=535,744
AudioSynthWaveformModulatedTS waveformMod7b;  //xy=503,170
AudioSynthWaveformModulatedTS waveformMod7a;  //xy=507,114
AudioSynthWaveformModulatedTS waveformMod8b;  //xy=513,550
AudioSynthWaveformModulatedTS waveformMod8a;  //xy=519,899


AudioSynthNoisePink      pink;           //xy=268,349
AudioSynthNoiseWhite     white;           //xy=268,359


AudioSynthWaveformTS     pwmLfoA;         //xy=92,208
AudioSynthWaveformTS     pwmLfoB;         //xy=92,208


AudioAnalyzePeak		 peak;
AudioEffectEnvelope      filterEnvelope1;   //xy=628,300
AudioEffectEnvelope      filterEnvelope2;   //xy=640,604
AudioEffectEnvelope      filterEnvelope3;   //xy=636,857
AudioEffectEnvelope      filterEnvelope4;   //xy=617,1107
AudioEffectEnvelope      filterEnvelope5;   //xy=638,300
AudioEffectEnvelope      filterEnvelope6;   //xy=629,1107
AudioEffectEnvelope      filterEnvelope7;   //xy=629,1107
AudioEffectEnvelope      filterEnvelope8;   //xy=638,300


AudioMixer4              pwMixer1a;       //xy=281,169
AudioMixer4              pwMixer1b;       //xy=287,272
AudioMixer4              pwMixer2a;         //xy=323.75,472.75
AudioMixer4              pwMixer2b;         //xy=323.75,553.75
AudioMixer4              pwMixer3a;         //xy=353.75,688.75
AudioMixer4              pwMixer3b;         //xy=358.75,763.75
AudioMixer4              pwMixer4b;         //xy=313.75,954.75
AudioMixer4              pwMixer4a;         //xy=314.75,887.75
AudioMixer4              pwMixer5a;         //xy=323.75,472.75
AudioMixer4              pwMixer5b;         //xy=323.75,553.75
AudioMixer4              pwMixer6a;         //xy=353.75,688.75
AudioMixer4              pwMixer6b;         //xy=358.75,763.75
AudioMixer4              pwMixer7a;			//xy=281,169
AudioMixer4              pwMixer7b;			//xy=287,272
AudioMixer4              pwMixer8b;         //xy=313.75,954.75
AudioMixer4              pwMixer8a;         //xy=314.75,887.75


AudioMixer4              noiseMixer;       //xy=288,369


AudioSynthWaveformTS     pitchLfo;         //xy=122,111
AudioSynthWaveformTS     filterLfo;         //xy=166,632


AudioMixer4              oscGlobalModMixer;    //xy=296,95
AudioMixer4              oscModMixer1a;         //xy=550,165
AudioMixer4              oscModMixer1b;         //xy=550,195
AudioMixer4              oscModMixer2a;         //xy=550,205
AudioMixer4              oscModMixer2b;         //xy=550,225
AudioMixer4              oscModMixer3a;         //xy=550,245
AudioMixer4              oscModMixer3b;         //xy=550,265
AudioMixer4              oscModMixer4a;         //xy=550,285
AudioMixer4              oscModMixer4b;         //xy=550,305
AudioMixer4              oscModMixer5a;         //xy=550,245
AudioMixer4              oscModMixer5b;         //xy=550,265
AudioMixer4              oscModMixer6a;         //xy=550,285
AudioMixer4              oscModMixer6b;         //xy=550,305
AudioMixer4              oscModMixer7a;         //xy=550,165
AudioMixer4              oscModMixer7b;         //xy=550,195
AudioMixer4              oscModMixer8a;         //xy=550,205
AudioMixer4              oscModMixer8b;         //xy=550,225


AudioEffectDigitalCombine oscFX1;       //xy=663,223
AudioEffectDigitalCombine oscFX2;       //xy=684,542
AudioEffectDigitalCombine oscFX4;       //xy=686,1046
AudioEffectDigitalCombine oscFX3;       //xy=687,803
AudioEffectDigitalCombine oscFX5;       //xy=686,1046
AudioEffectDigitalCombine oscFX6;       //xy=687,803
AudioEffectDigitalCombine oscFX7;       //xy=663,223
AudioEffectDigitalCombine oscFX8;       //xy=684,542


AudioMixer4              waveformMixer1; //xy=824,170
AudioMixer4              waveformMixer2; //xy=829,476
AudioMixer4              waveformMixer3; //xy=846,774
AudioMixer4              waveformMixer4; //xy=854,1023
AudioMixer4              waveformMixer5; //xy=846,774
AudioMixer4              waveformMixer6; //xy=854,1023
AudioMixer4              waveformMixer7; //xy=824,170
AudioMixer4              waveformMixer8; //xy=829,476


AudioMixer4              filterModMixer1;   //xy=845,292
AudioMixer4              filterModMixer2;   //xy=848,637
AudioMixer4              filterModMixer3;   //xy=852,937
AudioMixer4              filterModMixer4;   //xy=855,1099
AudioMixer4              filterModMixer5;   //xy=852,937
AudioMixer4              filterModMixer6;   //xy=855,1099
AudioMixer4              filterModMixer7;   //xy=845,292
AudioMixer4              filterModMixer8;   //xy=848,637


AudioFilterStateVariable filter1;        //xy=1000,210
AudioFilterStateVariable filter2;        //xy=994,498
AudioFilterStateVariable filter3;        //xy=1002,822
AudioFilterStateVariable filter4;        //xy=1022,1047
AudioFilterStateVariable filter5;        //xy=1002,822
AudioFilterStateVariable filter6;        //xy=1022,1047
AudioFilterStateVariable filter7;        //xy=994,498
AudioFilterStateVariable filter8;        //xy=1000,210


AudioMixer4              filterMixer1;   //xy=1151,214
AudioMixer4              filterMixer2;   //xy=1144,504
AudioMixer4              filterMixer3;   //xy=1144,825
AudioMixer4              filterMixer4;   //xy=1155,1050
AudioMixer4              filterMixer5;   //xy=1151,214
AudioMixer4              filterMixer6;   //xy=1155,1050
AudioMixer4              filterMixer7;   //xy=1144,504
AudioMixer4              filterMixer8;   //xy=1144,825


AudioEffectEnvelope      ampEnvelope1;   //xy=1327,211
AudioEffectEnvelope      ampEnvelope2;   //xy=1315,503
AudioEffectEnvelope      ampEnvelope3;   //xy=1315,823
AudioEffectEnvelope      ampEnvelope4;   //xy=1321,1045
AudioEffectEnvelope      ampEnvelope5;   //xy=1321,1045
AudioEffectEnvelope      ampEnvelope6;   //xy=1327,211
AudioEffectEnvelope      ampEnvelope7;   //xy=1315,503
AudioEffectEnvelope      ampEnvelope8;   //xy=1315,823


AudioEffectWaveshaper	 waveshaper1;		//xy=638,301
AudioEffectWaveshaper	 waveshaper2;		//xy=638,302
AudioEffectWaveshaper	 waveshaper3;		//xy=638,303
AudioEffectWaveshaper	 waveshaper4;		//xy=638,304
AudioEffectWaveshaper	 waveshaper5;		//xy=638,305
AudioEffectWaveshaper	 waveshaper6;		//xy=638,306
AudioEffectWaveshaper	 waveshaper7;		//xy=638,307
AudioEffectWaveshaper	 waveshaper8;		//xy=638,308
AudioEffectWaveshaper	 waveshaper9;		//xy=638,308


AudioMixer4              voiceMixer1;     //xy=1524,570
AudioMixer4              voiceMixer2;     //xy=1524,570
AudioMixer4              voiceMixer3;     //xy=1524,570
AudioMixer4              voiceMixerM;     //xy=1544,580


AudioFilterStateVariable dcOffsetFilter;     //xy=1564,580
AudioMixer4              volumeMixer;     //xy=1544,580
AudioEffectEnsemble      ensemble;  //xy=1800,600
Oscilloscope             scope;




// AudioSynthWaveformDc -------------------------------------------------
AudioConnection          patchCord1(constant1Dc, filterEnvelope1);
AudioConnection          patchCord2(constant1Dc, filterEnvelope2);
AudioConnection          patchCord3(constant1Dc, filterEnvelope3);
AudioConnection          patchCord4(constant1Dc, filterEnvelope4);
AudioConnection          patchCord5(constant1Dc, filterEnvelope5);
AudioConnection          patchCord6(constant1Dc, filterEnvelope6);
AudioConnection          patchCord7(constant1Dc, filterEnvelope7);
AudioConnection          patchCord8(constant1Dc, filterEnvelope8);




AudioConnection          patchCord20(pwa, 0, pwMixer1a, 1);
AudioConnection          patchCord21(pwa, 0, pwMixer2a, 1);
AudioConnection          patchCord22(pwa, 0, pwMixer3a, 1);
AudioConnection          patchCord23(pwa, 0, pwMixer4a, 1);
AudioConnection          patchCord24(pwb, 0, pwMixer5a, 1);
AudioConnection          patchCord25(pwb, 0, pwMixer6a, 1);
AudioConnection          patchCord26(pwb, 0, pwMixer7a, 1);
AudioConnection          patchCord27(pwb, 0, pwMixer8a, 1);
AudioConnection          patchCord28(pwa, 0, pwMixer1b, 1);
AudioConnection          patchCord29(pwb, 0, pwMixer2b, 1);
AudioConnection          patchCord30(pwa, 0, pwMixer3b, 1);
AudioConnection          patchCord31(pwb, 0, pwMixer4b, 1);
AudioConnection          patchCord32(pwa, 0, pwMixer5b, 1);
AudioConnection          patchCord33(pwb, 0, pwMixer6b, 1);
AudioConnection          patchCord34(pwa, 0, pwMixer7b, 1);
AudioConnection          patchCord35(pwb, 0, pwMixer8b, 1);




AudioConnection          patchCord40(pitchBend, 0, oscGlobalModMixer, 0);




AudioConnection          patchCord50(keytracking1, 0, filterModMixer1, 2);
AudioConnection          patchCord51(keytracking2, 0, filterModMixer2, 2);
AudioConnection          patchCord52(keytracking3, 0, filterModMixer3, 2);
AudioConnection          patchCord53(keytracking4, 0, filterModMixer4, 2);
AudioConnection          patchCord54(keytracking5, 0, filterModMixer5, 2);
AudioConnection          patchCord55(keytracking6, 0, filterModMixer6, 2);
AudioConnection          patchCord56(keytracking7, 0, filterModMixer7, 2);
AudioConnection          patchCord57(keytracking8, 0, filterModMixer8, 2);




AudioConnection          patchCord70(FilterVelo1, 0, filterModMixer1, 3);
AudioConnection          patchCord71(FilterVelo2, 0, filterModMixer2, 3);
AudioConnection          patchCord72(FilterVelo3, 0, filterModMixer3, 3);
AudioConnection          patchCord73(FilterVelo4, 0, filterModMixer4, 3);
AudioConnection          patchCord74(FilterVelo5, 0, filterModMixer5, 3);
AudioConnection          patchCord75(FilterVelo6, 0, filterModMixer6, 3);
AudioConnection          patchCord76(FilterVelo7, 0, filterModMixer7, 3);
AudioConnection          patchCord77(FilterVelo8, 0, filterModMixer8, 3);




AudioConnection          patchCord100(glide1, 0, oscModMixer1a, 2);
AudioConnection          patchCord101(glide1, 0, oscModMixer1b, 2);
AudioConnection          patchCord102(glide2, 0, oscModMixer2a, 2);
AudioConnection          patchCord103(glide2, 0, oscModMixer2b, 2);
AudioConnection          patchCord104(glide3, 0, oscModMixer3a, 2);
AudioConnection          patchCord105(glide3, 0, oscModMixer3b, 2);
AudioConnection          patchCord106(glide4, 0, oscModMixer4a, 2);
AudioConnection          patchCord107(glide4, 0, oscModMixer4b, 2);
AudioConnection          patchCord108(glide5, 0, oscModMixer5a, 2);
AudioConnection          patchCord109(glide5, 0, oscModMixer5b, 2);
AudioConnection          patchCord110(glide6, 0, oscModMixer6a, 2);
AudioConnection          patchCord111(glide6, 0, oscModMixer6b, 2);
AudioConnection          patchCord112(glide7, 0, oscModMixer7a, 2);
AudioConnection          patchCord113(glide7, 0, oscModMixer7b, 2);
AudioConnection          patchCord114(glide8, 0, oscModMixer8a, 2);
AudioConnection          patchCord115(glide8, 0, oscModMixer8b, 2);




// AudioSynthWaveformModulatedTS ----------------------------------------
AudioConnection          patchCord201(waveformMod1a, 0, waveformMixer1, 0);
AudioConnection          patchCord202(waveformMod2a, 0, waveformMixer2, 0);
AudioConnection          patchCord203(waveformMod3a, 0, waveformMixer3, 0);
AudioConnection          patchCord204(waveformMod4a, 0, waveformMixer4, 0);
AudioConnection          patchCord205(waveformMod5a, 0, waveformMixer5, 0);
AudioConnection          patchCord206(waveformMod6a, 0, waveformMixer6, 0);
AudioConnection          patchCord207(waveformMod7a, 0, waveformMixer7, 0);
AudioConnection          patchCord208(waveformMod8a, 0, waveformMixer8, 0);
AudioConnection          patchCord209(waveformMod1b, 0, waveformMixer1, 1);
AudioConnection          patchCord210(waveformMod2b, 0, waveformMixer2, 1);
AudioConnection          patchCord211(waveformMod3b, 0, waveformMixer3, 1);
AudioConnection          patchCord212(waveformMod4b, 0, waveformMixer4, 1);
AudioConnection          patchCord213(waveformMod5b, 0, waveformMixer5, 1);
AudioConnection          patchCord214(waveformMod6b, 0, waveformMixer6, 1);
AudioConnection          patchCord215(waveformMod7b, 0, waveformMixer7, 1);
AudioConnection          patchCord216(waveformMod8b, 0, waveformMixer8, 1);




AudioConnection          patchCord251(waveformMod1a, 0, oscModMixer1b, 3);
AudioConnection          patchCord252(waveformMod2a, 0, oscModMixer2b, 3);
AudioConnection          patchCord253(waveformMod3a, 0, oscModMixer3b, 3);
AudioConnection          patchCord254(waveformMod4a, 0, oscModMixer4b, 3);
AudioConnection          patchCord255(waveformMod5a, 0, oscModMixer5b, 3);
AudioConnection          patchCord256(waveformMod6a, 0, oscModMixer6b, 3);
AudioConnection          patchCord257(waveformMod7a, 0, oscModMixer7b, 3);
AudioConnection          patchCord258(waveformMod8a, 0, oscModMixer8b, 3);
AudioConnection          patchCord259(waveformMod1b, 0, oscModMixer1a, 3);
AudioConnection          patchCord260(waveformMod2b, 0, oscModMixer2a, 3);
AudioConnection          patchCord261(waveformMod3b, 0, oscModMixer3a, 3);
AudioConnection          patchCord262(waveformMod4b, 0, oscModMixer4a, 3);
AudioConnection          patchCord263(waveformMod5b, 0, oscModMixer5a, 3);
AudioConnection          patchCord264(waveformMod6b, 0, oscModMixer6a, 3);
AudioConnection          patchCord265(waveformMod7b, 0, oscModMixer7a, 3);
AudioConnection          patchCord266(waveformMod8b, 0, oscModMixer8a, 3);




AudioConnection          patchCord301(waveformMod1a, 0, oscFX1, 0);
AudioConnection          patchCord302(waveformMod2a, 0, oscFX2, 0);
AudioConnection          patchCord303(waveformMod3a, 0, oscFX3, 0);
AudioConnection          patchCord304(waveformMod4a, 0, oscFX4, 0);
AudioConnection          patchCord305(waveformMod5a, 0, oscFX5, 0);
AudioConnection          patchCord306(waveformMod6a, 0, oscFX6, 0);
AudioConnection          patchCord307(waveformMod7a, 0, oscFX7, 0);
AudioConnection          patchCord308(waveformMod8a, 0, oscFX8, 0);
AudioConnection          patchCord309(waveformMod1b, 0, oscFX1, 1);
AudioConnection          patchCord310(waveformMod2b, 0, oscFX2, 1);
AudioConnection          patchCord311(waveformMod3b, 0, oscFX3, 1);
AudioConnection          patchCord312(waveformMod4b, 0, oscFX4, 1);
AudioConnection          patchCord313(waveformMod5b, 0, oscFX5, 1);
AudioConnection          patchCord314(waveformMod6b, 0, oscFX6, 1);
AudioConnection          patchCord315(waveformMod7b, 0, oscFX7, 1);
AudioConnection          patchCord316(waveformMod8b, 0, oscFX8, 1);




// AudioSynthWaveformTS -------------------------------------------------
AudioConnection          patchCord351(pwmLfoA, 0, pwMixer1a, 0);
AudioConnection          patchCord352(pwmLfoB, 0, pwMixer2a, 0);
AudioConnection          patchCord353(pwmLfoA, 0, pwMixer3a, 0);
AudioConnection          patchCord354(pwmLfoB, 0, pwMixer4a, 0);
AudioConnection          patchCord355(pwmLfoA, 0, pwMixer5a, 0);
AudioConnection          patchCord356(pwmLfoB, 0, pwMixer6a, 0);
AudioConnection          patchCord357(pwmLfoA, 0, pwMixer7a, 0);
AudioConnection          patchCord358(pwmLfoB, 0, pwMixer8a, 0);
AudioConnection          patchCord359(pwmLfoA, 0, pwMixer1b, 0);
AudioConnection          patchCord360(pwmLfoB, 0, pwMixer2b, 0);
AudioConnection          patchCord361(pwmLfoA, 0, pwMixer3b, 0);
AudioConnection          patchCord362(pwmLfoB, 0, pwMixer4b, 0);
AudioConnection          patchCord363(pwmLfoA, 0, pwMixer5b, 0);
AudioConnection          patchCord364(pwmLfoB, 0, pwMixer6b, 0);
AudioConnection          patchCord365(pwmLfoA, 0, pwMixer7b, 0);
AudioConnection          patchCord366(pwmLfoB, 0, pwMixer8b, 0);




AudioConnection          patchCord401(filterLfo, 0, filterModMixer1, 1);
AudioConnection          patchCord402(filterLfo, 0, filterModMixer2, 1);
AudioConnection          patchCord403(filterLfo, 0, filterModMixer3, 1);
AudioConnection          patchCord404(filterLfo, 0, filterModMixer4, 1);
AudioConnection          patchCord405(filterLfo, 0, filterModMixer5, 1);
AudioConnection          patchCord406(filterLfo, 0, filterModMixer6, 1);
AudioConnection          patchCord407(filterLfo, 0, filterModMixer7, 1);
AudioConnection          patchCord408(filterLfo, 0, filterModMixer8, 1);




AudioConnection          patchCord420(pitchLfo, 0, oscGlobalModMixer, 1);




AudioConnection          patchCord421(pink, 0, noiseMixer, 0);
AudioConnection          patchCord422(white, 0, noiseMixer, 1);




// AudioEffectEnvelope --------------------------------------------------
AudioConnection          patchCord501(filterEnvelope1, 0, oscModMixer1a, 1);
AudioConnection          patchCord502(filterEnvelope1, 0, oscModMixer1b, 1);
AudioConnection          patchCord503(filterEnvelope2, 0, oscModMixer2a, 1);
AudioConnection          patchCord504(filterEnvelope2, 0, oscModMixer2b, 1);
AudioConnection          patchCord505(filterEnvelope3, 0, oscModMixer3a, 1);
AudioConnection          patchCord506(filterEnvelope3, 0, oscModMixer3b, 1);
AudioConnection          patchCord507(filterEnvelope4, 0, oscModMixer4a, 1);
AudioConnection          patchCord508(filterEnvelope4, 0, oscModMixer4b, 1);
AudioConnection          patchCord509(filterEnvelope5, 0, oscModMixer5a, 1);
AudioConnection          patchCord510(filterEnvelope5, 0, oscModMixer5b, 1);
AudioConnection          patchCord511(filterEnvelope6, 0, oscModMixer6a, 1);
AudioConnection          patchCord512(filterEnvelope6, 0, oscModMixer6b, 1);
AudioConnection          patchCord513(filterEnvelope7, 0, oscModMixer7a, 1);
AudioConnection          patchCord514(filterEnvelope7, 0, oscModMixer7b, 1);
AudioConnection          patchCord515(filterEnvelope8, 0, oscModMixer8a, 1);
AudioConnection          patchCord516(filterEnvelope8, 0, oscModMixer8b, 1);




AudioConnection          patchCord551(filterEnvelope1, 0, pwMixer1a, 2);
AudioConnection          patchCord552(filterEnvelope1, 0, pwMixer1b, 2);
AudioConnection          patchCord553(filterEnvelope2, 0, pwMixer2a, 2);
AudioConnection          patchCord554(filterEnvelope2, 0, pwMixer2b, 2);
AudioConnection          patchCord555(filterEnvelope3, 0, pwMixer3a, 2);
AudioConnection          patchCord556(filterEnvelope3, 0, pwMixer3b, 2);
AudioConnection          patchCord557(filterEnvelope4, 0, pwMixer4a, 2);
AudioConnection          patchCord558(filterEnvelope4, 0, pwMixer4b, 2);
AudioConnection          patchCord559(filterEnvelope5, 0, pwMixer5a, 2);
AudioConnection          patchCord560(filterEnvelope5, 0, pwMixer5b, 2);
AudioConnection          patchCord561(filterEnvelope6, 0, pwMixer6a, 2);
AudioConnection          patchCord562(filterEnvelope6, 0, pwMixer6b, 2);
AudioConnection          patchCord563(filterEnvelope7, 0, pwMixer7a, 2);
AudioConnection          patchCord564(filterEnvelope7, 0, pwMixer7b, 2);
AudioConnection          patchCord565(filterEnvelope8, 0, pwMixer8a, 2);
AudioConnection          patchCord566(filterEnvelope8, 0, pwMixer8b, 2);




AudioConnection          patchCord581(filterEnvelope1, 0, filterModMixer1, 0);
AudioConnection          patchCord582(filterEnvelope2, 0, filterModMixer2, 0);
AudioConnection          patchCord583(filterEnvelope3, 0, filterModMixer3, 0);
AudioConnection          patchCord584(filterEnvelope4, 0, filterModMixer4, 0);
AudioConnection          patchCord585(filterEnvelope5, 0, filterModMixer5, 0);
AudioConnection          patchCord586(filterEnvelope6, 0, filterModMixer6, 0);
AudioConnection          patchCord587(filterEnvelope7, 0, filterModMixer7, 0);
AudioConnection          patchCord588(filterEnvelope8, 0, filterModMixer8, 0);




// AudioEffectWaveshaper ------------------------------------------------
AudioConnection          patchCord601(ampEnvelope1, waveshaper1);
AudioConnection          patchCord602(ampEnvelope2, waveshaper2);
AudioConnection          patchCord603(ampEnvelope3, waveshaper3);
AudioConnection          patchCord604(ampEnvelope4, waveshaper4);
AudioConnection          patchCord605(ampEnvelope5, waveshaper5);
AudioConnection          patchCord606(ampEnvelope6, waveshaper6);
AudioConnection          patchCord607(ampEnvelope7, waveshaper7);
AudioConnection          patchCord608(ampEnvelope8, waveshaper8);




AudioConnection          patchCord631(waveshaper1, 0, voiceMixer1, 0);
AudioConnection          patchCord632(waveshaper2, 0, voiceMixer1, 1);
AudioConnection          patchCord633(waveshaper3, 0, voiceMixer1, 2);
AudioConnection          patchCord634(waveshaper4, 0, voiceMixer1, 3);
AudioConnection          patchCord635(waveshaper5, 0, voiceMixer2, 0);
AudioConnection          patchCord636(waveshaper6, 0, voiceMixer2, 1);
AudioConnection          patchCord637(waveshaper7, 0, voiceMixer2, 2);
AudioConnection          patchCord638(waveshaper8, 0, voiceMixer2, 3);




// AudioEffectDigitalCombine --------------------------------------------
AudioConnection          patchCord651(oscFX1, 0, waveformMixer1, 3);
AudioConnection          patchCord652(oscFX2, 0, waveformMixer2, 3);
AudioConnection          patchCord653(oscFX4, 0, waveformMixer4, 3);
AudioConnection          patchCord654(oscFX3, 0, waveformMixer3, 3);
AudioConnection          patchCord655(oscFX5, 0, waveformMixer5, 3);
AudioConnection          patchCord656(oscFX6, 0, waveformMixer6, 3);
AudioConnection          patchCord657(oscFX7, 0, waveformMixer7, 3);
AudioConnection          patchCord658(oscFX8, 0, waveformMixer8, 3);




// AudioFilterStateVariable ---------------------------------------------
AudioConnection          patchCord701(filter1, 0, filterMixer1, 0);
AudioConnection          patchCord702(filter1, 1, filterMixer1, 1);
AudioConnection          patchCord703(filter1, 2, filterMixer1, 2);
AudioConnection          patchCord704(filter2, 0, filterMixer2, 0);
AudioConnection          patchCord705(filter2, 1, filterMixer2, 1);
AudioConnection          patchCord706(filter2, 2, filterMixer2, 2);
AudioConnection          patchCord707(filter3, 0, filterMixer3, 0);
AudioConnection          patchCord708(filter3, 1, filterMixer3, 1);
AudioConnection          patchCord709(filter3, 2, filterMixer3, 2);
AudioConnection          patchCord710(filter4, 0, filterMixer4, 0);
AudioConnection          patchCord711(filter4, 1, filterMixer4, 1);
AudioConnection          patchCord712(filter4, 2, filterMixer4, 2);
AudioConnection          patchCord713(filter5, 0, filterMixer5, 0);
AudioConnection          patchCord714(filter5, 1, filterMixer5, 1);
AudioConnection          patchCord715(filter5, 2, filterMixer5, 2);
AudioConnection          patchCord716(filter6, 0, filterMixer6, 0);
AudioConnection          patchCord717(filter6, 1, filterMixer6, 1);
AudioConnection          patchCord718(filter6, 2, filterMixer6, 2);
AudioConnection          patchCord719(filter7, 0, filterMixer7, 0);
AudioConnection          patchCord720(filter7, 1, filterMixer7, 1);
AudioConnection          patchCord721(filter7, 2, filterMixer7, 2);
AudioConnection          patchCord722(filter8, 0, filterMixer8, 0);
AudioConnection          patchCord723(filter8, 1, filterMixer8, 1);
AudioConnection          patchCord724(filter8, 2, filterMixer8, 2);
AudioConnection          patchCord730(dcOffsetFilter, 2, volumeMixer, 0);
AudioConnection          patchCord731(dcOffsetFilter, 2, scope, 0);
AudioConnection          patchCord732(dcOffsetFilter, 2, peak, 0);




// Mixer ----------------------------------------------------------------
AudioConnection          patchCord751(noiseMixer, 0, waveformMixer1, 2);
AudioConnection          patchCord752(noiseMixer, 0, waveformMixer2, 2);
AudioConnection          patchCord753(noiseMixer, 0, waveformMixer3, 2);
AudioConnection          patchCord754(noiseMixer, 0, waveformMixer4, 2);
AudioConnection          patchCord755(noiseMixer, 0, waveformMixer5, 2);
AudioConnection          patchCord756(noiseMixer, 0, waveformMixer6, 2);
AudioConnection          patchCord757(noiseMixer, 0, waveformMixer7, 2);
AudioConnection          patchCord758(noiseMixer, 0, waveformMixer8, 2);




AudioConnection          patchCord771(pwMixer1a, 0, waveformMod1a, 1);
AudioConnection          patchCord772(pwMixer1b, 0, waveformMod1b, 1);
AudioConnection          patchCord773(pwMixer3b, 0, waveformMod3b, 1);
AudioConnection          patchCord774(pwMixer4b, 0, waveformMod4b, 1);
AudioConnection          patchCord775(pwMixer4a, 0, waveformMod4a, 1);
AudioConnection          patchCord776(pwMixer2a, 0, waveformMod2a, 1);
AudioConnection          patchCord777(pwMixer2b, 0, waveformMod2b, 1);
AudioConnection          patchCord778(pwMixer3a, 0, waveformMod3a, 1);
AudioConnection          patchCord779(pwMixer5a, 0, waveformMod5a, 1);
AudioConnection          patchCord780(pwMixer5b, 0, waveformMod5b, 1);
AudioConnection          patchCord781(pwMixer6a, 0, waveformMod6a, 1);
AudioConnection          patchCord782(pwMixer6b, 0, waveformMod6b, 1);
AudioConnection          patchCord783(pwMixer7a, 0, waveformMod7a, 1);
AudioConnection          patchCord784(pwMixer7b, 0, waveformMod7b, 1);
AudioConnection          patchCord785(pwMixer8a, 0, waveformMod8a, 1);
AudioConnection          patchCord786(pwMixer8b, 0, waveformMod8b, 1);




AudioConnection          patchCord801(oscGlobalModMixer, 0, oscModMixer1a, 0);
AudioConnection          patchCord802(oscGlobalModMixer, 0, oscModMixer1b, 0);
AudioConnection          patchCord803(oscGlobalModMixer, 0, oscModMixer2a, 0);
AudioConnection          patchCord804(oscGlobalModMixer, 0, oscModMixer2b, 0);
AudioConnection          patchCord805(oscGlobalModMixer, 0, oscModMixer3a, 0);
AudioConnection          patchCord806(oscGlobalModMixer, 0, oscModMixer3b, 0);
AudioConnection          patchCord807(oscGlobalModMixer, 0, oscModMixer4a, 0);
AudioConnection          patchCord808(oscGlobalModMixer, 0, oscModMixer4b, 0);
AudioConnection          patchCord809(oscGlobalModMixer, 0, oscModMixer5a, 0);
AudioConnection          patchCord810(oscGlobalModMixer, 0, oscModMixer5b, 0);
AudioConnection          patchCord811(oscGlobalModMixer, 0, oscModMixer6a, 0);
AudioConnection          patchCord812(oscGlobalModMixer, 0, oscModMixer6b, 0);
AudioConnection          patchCord813(oscGlobalModMixer, 0, oscModMixer7a, 0);
AudioConnection          patchCord814(oscGlobalModMixer, 0, oscModMixer7b, 0);
AudioConnection          patchCord815(oscGlobalModMixer, 0, oscModMixer8a, 0);
AudioConnection          patchCord816(oscGlobalModMixer, 0, oscModMixer8b, 0);




AudioConnection          patchCord831(filterModMixer1, 0, filter1, 1);
AudioConnection          patchCord832(filterModMixer2, 0, filter2, 1);
AudioConnection          patchCord833(filterModMixer3, 0, filter3, 1);
AudioConnection          patchCord834(filterModMixer4, 0, filter4, 1);
AudioConnection          patchCord835(filterModMixer5, 0, filter5, 1);
AudioConnection          patchCord836(filterModMixer6, 0, filter6, 1);
AudioConnection          patchCord837(filterModMixer7, 0, filter7, 1);
AudioConnection          patchCord838(filterModMixer8, 0, filter8, 1);




AudioConnection          patchCord851(filterMixer1, ampEnvelope1);
AudioConnection          patchCord852(filterMixer2, ampEnvelope2);
AudioConnection          patchCord853(filterMixer3, ampEnvelope3);
AudioConnection          patchCord854(filterMixer4, ampEnvelope4);
AudioConnection          patchCord855(filterMixer5, ampEnvelope5);
AudioConnection          patchCord856(filterMixer6, ampEnvelope6);
AudioConnection          patchCord857(filterMixer7, ampEnvelope7);
AudioConnection          patchCord858(filterMixer8, ampEnvelope8);




AudioConnection          patchCord871(oscModMixer1a, 0, waveformMod1a, 0);
AudioConnection          patchCord872(oscModMixer1b, 0, waveformMod1b, 0);
AudioConnection          patchCord873(oscModMixer2a, 0, waveformMod2a, 0);
AudioConnection          patchCord874(oscModMixer2b, 0, waveformMod2b, 0);
AudioConnection          patchCord875(oscModMixer3a, 0, waveformMod3a, 0);
AudioConnection          patchCord876(oscModMixer3b, 0, waveformMod3b, 0);
AudioConnection          patchCord877(oscModMixer4a, 0, waveformMod4a, 0);
AudioConnection          patchCord878(oscModMixer4b, 0, waveformMod4b, 0);
AudioConnection          patchCord879(oscModMixer5a, 0, waveformMod5a, 0);
AudioConnection          patchCord880(oscModMixer5b, 0, waveformMod5b, 0);
AudioConnection          patchCord881(oscModMixer6a, 0, waveformMod6a, 0);
AudioConnection          patchCord882(oscModMixer6b, 0, waveformMod6b, 0);
AudioConnection          patchCord883(oscModMixer7a, 0, waveformMod7a, 0);
AudioConnection          patchCord884(oscModMixer7b, 0, waveformMod7b, 0);
AudioConnection          patchCord885(oscModMixer8a, 0, waveformMod8a, 0);
AudioConnection          patchCord886(oscModMixer8b, 0, waveformMod8b, 0);




AudioConnection          patchCord901(voiceMixer1, 0, voiceMixerM, 0);
AudioConnection          patchCord902(voiceMixer2, 0, voiceMixerM, 1);
AudioConnection          patchCord903(voiceMixer3, 0, voiceMixerM, 2);




AudioConnection          patchCord921(voiceMixerM, 0, dcOffsetFilter, 0);
AudioConnection          patchCord922(dcOffsetFilter, 2, volumeMixer, 0);
AudioConnection          patchCord923(dcOffsetFilter, 2, scope, 0);
AudioConnection          patchCord924(dcOffsetFilter, 2, peak, 0);




AudioConnection          patchCord941(waveformMixer1, 0, filter1, 0);
AudioConnection          patchCord942(waveformMixer2, 0, filter2, 0);
AudioConnection          patchCord943(waveformMixer3, 0, filter3, 0);
AudioConnection          patchCord944(waveformMixer4, 0, filter4, 0);
AudioConnection          patchCord945(waveformMixer5, 0, filter5, 0);
AudioConnection          patchCord946(waveformMixer6, 0, filter6, 0);
AudioConnection          patchCord947(waveformMixer7, 0, filter7, 0);
AudioConnection          patchCord948(waveformMixer8, 0, filter8, 0);




AudioConnection          patchCord950(voiceMixer1, 0, voiceMixerM, 0);
AudioConnection          patchCord951(voiceMixer2, 0, voiceMixerM, 1);
AudioConnection          patchCord952(voiceMixer3, 0, voiceMixerM, 2);




AudioConnection          patchCord960(voiceMixerM, 0, dcOffsetFilter, 0);




AudioConnection          patchCord998(volumeMixer, 0, PCM5102A, 0);
AudioConnection          patchCord999(volumeMixer, 0, PCM5102A, 1);

Greetings. Rolf
 
Current voice block
Jeannie-one-Voice-V104-5.jpg


My new audioConnection list with waveshaper and gain controll
Code:
AudioOutputI2S             PCM5102A;

AudioSynthWaveformDc     constant1Dc;    //xy=69.5,437
AudioSynthWaveformDc     pitchBend;      //xy=128,74
AudioSynthWaveformDc     pwa;            //xy=107,256
AudioSynthWaveformDc     pwb;            //xy=110,301


AudioSynthWaveformDc     FilterVelo1;    //xy=69.5,437
AudioSynthWaveformDc     FilterVelo2;    //xy=69.5,437
AudioSynthWaveformDc     FilterVelo3;    //xy=69.5,437
AudioSynthWaveformDc     FilterVelo4;    //xy=69.5,437
AudioSynthWaveformDc     FilterVelo5;    //xy=69.5,437
AudioSynthWaveformDc     FilterVelo6;    //xy=69.5,437
AudioSynthWaveformDc     FilterVelo7;    //xy=69.5,437
AudioSynthWaveformDc     FilterVelo8;    //xy=69.5,437


AudioSynthWaveformDc     glide1;          //xy=124,152
AudioSynthWaveformDc     glide2;          //xy=124,152
AudioSynthWaveformDc     glide3;          //xy=124,152
AudioSynthWaveformDc     glide4;          //xy=124,152
AudioSynthWaveformDc     glide5;          //xy=124,152
AudioSynthWaveformDc     glide6;          //xy=124,152
AudioSynthWaveformDc     glide7;          //xy=124,152
AudioSynthWaveformDc     glide8;          //xy=124,152


AudioSynthWaveformDc     keytracking1;    //xy=176,745
AudioSynthWaveformDc     keytracking2;    //xy=196,745
AudioSynthWaveformDc     keytracking3;    //xy=216,745
AudioSynthWaveformDc     keytracking4;    //xy=236,745
AudioSynthWaveformDc     keytracking5;    //xy=216,745
AudioSynthWaveformDc     keytracking6;    //xy=236,745
AudioSynthWaveformDc     keytracking7;    //xy=176,745
AudioSynthWaveformDc     keytracking8;    //xy=196,745


AudioSynthWaveformModulatedTS waveformMod1b;  //xy=503,170
AudioSynthWaveformModulatedTS waveformMod1a;  //xy=507,114
AudioSynthWaveformModulatedTS waveformMod2b;  //xy=513,550
AudioSynthWaveformModulatedTS waveformMod4a;  //xy=519,899
AudioSynthWaveformModulatedTS waveformMod2a;  //xy=521,458
AudioSynthWaveformModulatedTS waveformMod4b;  //xy=525,940
AudioSynthWaveformModulatedTS waveformMod3a;  //xy=532,678
AudioSynthWaveformModulatedTS waveformMod3b;  //xy=535,744
AudioSynthWaveformModulatedTS waveformMod5a;  //xy=521,458
AudioSynthWaveformModulatedTS waveformMod5b;  //xy=525,940
AudioSynthWaveformModulatedTS waveformMod6a;  //xy=532,678
AudioSynthWaveformModulatedTS waveformMod6b;  //xy=535,744
AudioSynthWaveformModulatedTS waveformMod7b;  //xy=503,170
AudioSynthWaveformModulatedTS waveformMod7a;  //xy=507,114
AudioSynthWaveformModulatedTS waveformMod8b;  //xy=513,550
AudioSynthWaveformModulatedTS waveformMod8a;  //xy=519,899


AudioSynthNoisePink      pink;           //xy=268,349
AudioSynthNoiseWhite     white;           //xy=268,359


AudioSynthWaveformTS     pwmLfoA;         //xy=92,208
AudioSynthWaveformTS     pwmLfoB;         //xy=92,208


AudioAnalyzePeak         peak;
AudioEffectEnvelope      filterEnvelope1;   //xy=628,300
AudioEffectEnvelope      filterEnvelope2;   //xy=640,604
AudioEffectEnvelope      filterEnvelope3;   //xy=636,857
AudioEffectEnvelope      filterEnvelope4;   //xy=617,1107
AudioEffectEnvelope      filterEnvelope5;   //xy=638,300
AudioEffectEnvelope      filterEnvelope6;   //xy=629,1107
AudioEffectEnvelope      filterEnvelope7;   //xy=629,1107
AudioEffectEnvelope      filterEnvelope8;   //xy=638,300


AudioMixer4              pwMixer1a;       //xy=281,169
AudioMixer4              pwMixer1b;       //xy=287,272
AudioMixer4              pwMixer2a;         //xy=323.75,472.75
AudioMixer4              pwMixer2b;         //xy=323.75,553.75
AudioMixer4              pwMixer3a;         //xy=353.75,688.75
AudioMixer4              pwMixer3b;         //xy=358.75,763.75
AudioMixer4              pwMixer4b;         //xy=313.75,954.75
AudioMixer4              pwMixer4a;         //xy=314.75,887.75
AudioMixer4              pwMixer5a;         //xy=323.75,472.75
AudioMixer4              pwMixer5b;         //xy=323.75,553.75
AudioMixer4              pwMixer6a;         //xy=353.75,688.75
AudioMixer4              pwMixer6b;         //xy=358.75,763.75
AudioMixer4              pwMixer7a;            //xy=281,169
AudioMixer4              pwMixer7b;            //xy=287,272
AudioMixer4              pwMixer8b;         //xy=313.75,954.75
AudioMixer4              pwMixer8a;         //xy=314.75,887.75


AudioMixer4              noiseMixer;       //xy=288,369


AudioSynthWaveformTS     pitchLfo;         //xy=122,111
AudioSynthWaveformTS     filterLfo;         //xy=166,632


AudioMixer4              oscGlobalModMixer;    //xy=296,95
AudioMixer4              oscModMixer1a;         //xy=550,165
AudioMixer4              oscModMixer1b;         //xy=550,195
AudioMixer4              oscModMixer2a;         //xy=550,205
AudioMixer4              oscModMixer2b;         //xy=550,225
AudioMixer4              oscModMixer3a;         //xy=550,245
AudioMixer4              oscModMixer3b;         //xy=550,265
AudioMixer4              oscModMixer4a;         //xy=550,285
AudioMixer4              oscModMixer4b;         //xy=550,305
AudioMixer4              oscModMixer5a;         //xy=550,245
AudioMixer4              oscModMixer5b;         //xy=550,265
AudioMixer4              oscModMixer6a;         //xy=550,285
AudioMixer4              oscModMixer6b;         //xy=550,305
AudioMixer4              oscModMixer7a;         //xy=550,165
AudioMixer4              oscModMixer7b;         //xy=550,195
AudioMixer4              oscModMixer8a;         //xy=550,205
AudioMixer4              oscModMixer8b;         //xy=550,225


AudioEffectDigitalCombine oscFX1;       //xy=663,223
AudioEffectDigitalCombine oscFX2;       //xy=684,542
AudioEffectDigitalCombine oscFX4;       //xy=686,1046
AudioEffectDigitalCombine oscFX3;       //xy=687,803
AudioEffectDigitalCombine oscFX5;       //xy=686,1046
AudioEffectDigitalCombine oscFX6;       //xy=687,803
AudioEffectDigitalCombine oscFX7;       //xy=663,223
AudioEffectDigitalCombine oscFX8;       //xy=684,542


AudioMixer4              waveformMixer1; //xy=824,170
AudioMixer4              waveformMixer2; //xy=829,476
AudioMixer4              waveformMixer3; //xy=846,774
AudioMixer4              waveformMixer4; //xy=854,1023
AudioMixer4              waveformMixer5; //xy=846,774
AudioMixer4              waveformMixer6; //xy=854,1023
AudioMixer4              waveformMixer7; //xy=824,170
AudioMixer4              waveformMixer8; //xy=829,476


AudioMixer4              filterModMixer1;   //xy=845,292
AudioMixer4              filterModMixer2;   //xy=848,637
AudioMixer4              filterModMixer3;   //xy=852,937
AudioMixer4              filterModMixer4;   //xy=855,1099
AudioMixer4              filterModMixer5;   //xy=852,937
AudioMixer4              filterModMixer6;   //xy=855,1099
AudioMixer4              filterModMixer7;   //xy=845,292
AudioMixer4              filterModMixer8;   //xy=848,637


AudioFilterStateVariable filter1;        //xy=1000,210
AudioFilterStateVariable filter2;        //xy=994,498
AudioFilterStateVariable filter3;        //xy=1002,822
AudioFilterStateVariable filter4;        //xy=1022,1047
AudioFilterStateVariable filter5;        //xy=1002,822
AudioFilterStateVariable filter6;        //xy=1022,1047
AudioFilterStateVariable filter7;        //xy=994,498
AudioFilterStateVariable filter8;        //xy=1000,210


AudioMixer4              filterMixer1;   //xy=1151,214
AudioMixer4              filterMixer2;   //xy=1144,504
AudioMixer4              filterMixer3;   //xy=1144,825
AudioMixer4              filterMixer4;   //xy=1155,1050
AudioMixer4              filterMixer5;   //xy=1151,214
AudioMixer4              filterMixer6;   //xy=1155,1050
AudioMixer4              filterMixer7;   //xy=1144,504
AudioMixer4              filterMixer8;   //xy=1144,825


AudioAmplifier           WaveshaperAmp1;   //xy=1145,825
AudioAmplifier           WaveshaperAmp2;   //xy=1145,826
AudioAmplifier           WaveshaperAmp3;   //xy=1145,827
AudioAmplifier           WaveshaperAmp4;   //xy=1145,828
AudioAmplifier           WaveshaperAmp5;   //xy=1145,829
AudioAmplifier           WaveshaperAmp6;   //xy=1145,830
AudioAmplifier           WaveshaperAmp7;   //xy=1145,831
AudioAmplifier           WaveshaperAmp8;   //xy=1145,832


AudioEffectWaveshaper     waveshaper1;        //xy=638,301
AudioEffectWaveshaper     waveshaper2;        //xy=638,302
AudioEffectWaveshaper     waveshaper3;        //xy=638,303
AudioEffectWaveshaper     waveshaper4;        //xy=638,304
AudioEffectWaveshaper     waveshaper5;        //xy=638,305
AudioEffectWaveshaper     waveshaper6;        //xy=638,306
AudioEffectWaveshaper     waveshaper7;        //xy=638,307
AudioEffectWaveshaper     waveshaper8;        //xy=638,308


AudioEffectEnvelope      ampEnvelope1;   //xy=1327,211
AudioEffectEnvelope      ampEnvelope2;   //xy=1315,503
AudioEffectEnvelope      ampEnvelope3;   //xy=1315,823
AudioEffectEnvelope      ampEnvelope4;   //xy=1321,1045
AudioEffectEnvelope      ampEnvelope5;   //xy=1321,1045
AudioEffectEnvelope      ampEnvelope6;   //xy=1327,211
AudioEffectEnvelope      ampEnvelope7;   //xy=1315,503
AudioEffectEnvelope      ampEnvelope8;   //xy=1315,823


AudioMixer4              voiceMixer1;     //xy=1524,570
AudioMixer4              voiceMixer2;     //xy=1524,570
AudioMixer4              voiceMixer3;     //xy=1524,570
AudioMixer4              voiceMixerM;     //xy=1544,580


AudioFilterStateVariable dcOffsetFilter;     //xy=1564,580
AudioMixer4              volumeMixer;     //xy=1544,580
AudioEffectEnsemble      ensemble;  //xy=1800,600
Oscilloscope             scope;




// AudioSynthWaveformDc -------------------------------------------------
AudioConnection          patchCord1(constant1Dc, filterEnvelope1);
AudioConnection          patchCord2(constant1Dc, filterEnvelope2);
AudioConnection          patchCord3(constant1Dc, filterEnvelope3);
AudioConnection          patchCord4(constant1Dc, filterEnvelope4);
AudioConnection          patchCord5(constant1Dc, filterEnvelope5);
AudioConnection          patchCord6(constant1Dc, filterEnvelope6);
AudioConnection          patchCord7(constant1Dc, filterEnvelope7);
AudioConnection          patchCord8(constant1Dc, filterEnvelope8);


AudioConnection          patchCord20(pwa, 0, pwMixer1a, 1);
AudioConnection          patchCord21(pwa, 0, pwMixer2a, 1);
AudioConnection          patchCord22(pwa, 0, pwMixer3a, 1);
AudioConnection          patchCord23(pwa, 0, pwMixer4a, 1);
AudioConnection          patchCord24(pwb, 0, pwMixer5a, 1);
AudioConnection          patchCord25(pwb, 0, pwMixer6a, 1);
AudioConnection          patchCord26(pwb, 0, pwMixer7a, 1);
AudioConnection          patchCord27(pwb, 0, pwMixer8a, 1);
AudioConnection          patchCord28(pwa, 0, pwMixer1b, 1);
AudioConnection          patchCord29(pwb, 0, pwMixer2b, 1);
AudioConnection          patchCord30(pwa, 0, pwMixer3b, 1);
AudioConnection          patchCord31(pwb, 0, pwMixer4b, 1);
AudioConnection          patchCord32(pwa, 0, pwMixer5b, 1);
AudioConnection          patchCord33(pwb, 0, pwMixer6b, 1);
AudioConnection          patchCord34(pwa, 0, pwMixer7b, 1);
AudioConnection          patchCord35(pwb, 0, pwMixer8b, 1);


AudioConnection          patchCord40(pitchBend, 0, oscGlobalModMixer, 0);


AudioConnection          patchCord50(keytracking1, 0, filterModMixer1, 2);
AudioConnection          patchCord51(keytracking2, 0, filterModMixer2, 2);
AudioConnection          patchCord52(keytracking3, 0, filterModMixer3, 2);
AudioConnection          patchCord53(keytracking4, 0, filterModMixer4, 2);
AudioConnection          patchCord54(keytracking5, 0, filterModMixer5, 2);
AudioConnection          patchCord55(keytracking6, 0, filterModMixer6, 2);
AudioConnection          patchCord56(keytracking7, 0, filterModMixer7, 2);
AudioConnection          patchCord57(keytracking8, 0, filterModMixer8, 2);


AudioConnection          patchCord70(FilterVelo1, 0, filterModMixer1, 3);
AudioConnection          patchCord71(FilterVelo2, 0, filterModMixer2, 3);
AudioConnection          patchCord72(FilterVelo3, 0, filterModMixer3, 3);
AudioConnection          patchCord73(FilterVelo4, 0, filterModMixer4, 3);
AudioConnection          patchCord74(FilterVelo5, 0, filterModMixer5, 3);
AudioConnection          patchCord75(FilterVelo6, 0, filterModMixer6, 3);
AudioConnection          patchCord76(FilterVelo7, 0, filterModMixer7, 3);
AudioConnection          patchCord77(FilterVelo8, 0, filterModMixer8, 3);


AudioConnection          patchCord100(glide1, 0, oscModMixer1a, 2);
AudioConnection          patchCord101(glide1, 0, oscModMixer1b, 2);
AudioConnection          patchCord102(glide2, 0, oscModMixer2a, 2);
AudioConnection          patchCord103(glide2, 0, oscModMixer2b, 2);
AudioConnection          patchCord104(glide3, 0, oscModMixer3a, 2);
AudioConnection          patchCord105(glide3, 0, oscModMixer3b, 2);
AudioConnection          patchCord106(glide4, 0, oscModMixer4a, 2);
AudioConnection          patchCord107(glide4, 0, oscModMixer4b, 2);
AudioConnection          patchCord108(glide5, 0, oscModMixer5a, 2);
AudioConnection          patchCord109(glide5, 0, oscModMixer5b, 2);
AudioConnection          patchCord110(glide6, 0, oscModMixer6a, 2);
AudioConnection          patchCord111(glide6, 0, oscModMixer6b, 2);
AudioConnection          patchCord112(glide7, 0, oscModMixer7a, 2);
AudioConnection          patchCord113(glide7, 0, oscModMixer7b, 2);
AudioConnection          patchCord114(glide8, 0, oscModMixer8a, 2);
AudioConnection          patchCord115(glide8, 0, oscModMixer8b, 2);


// AudioSynthWaveformModulatedTS ----------------------------------------
AudioConnection          patchCord201(waveformMod1a, 0, waveformMixer1, 0);
AudioConnection          patchCord202(waveformMod2a, 0, waveformMixer2, 0);
AudioConnection          patchCord203(waveformMod3a, 0, waveformMixer3, 0);
AudioConnection          patchCord204(waveformMod4a, 0, waveformMixer4, 0);
AudioConnection          patchCord205(waveformMod5a, 0, waveformMixer5, 0);
AudioConnection          patchCord206(waveformMod6a, 0, waveformMixer6, 0);
AudioConnection          patchCord207(waveformMod7a, 0, waveformMixer7, 0);
AudioConnection          patchCord208(waveformMod8a, 0, waveformMixer8, 0);
AudioConnection          patchCord209(waveformMod1b, 0, waveformMixer1, 1);
AudioConnection          patchCord210(waveformMod2b, 0, waveformMixer2, 1);
AudioConnection          patchCord211(waveformMod3b, 0, waveformMixer3, 1);
AudioConnection          patchCord212(waveformMod4b, 0, waveformMixer4, 1);
AudioConnection          patchCord213(waveformMod5b, 0, waveformMixer5, 1);
AudioConnection          patchCord214(waveformMod6b, 0, waveformMixer6, 1);
AudioConnection          patchCord215(waveformMod7b, 0, waveformMixer7, 1);
AudioConnection          patchCord216(waveformMod8b, 0, waveformMixer8, 1);


AudioConnection          patchCord251(waveformMod1a, 0, oscModMixer1b, 3);
AudioConnection          patchCord252(waveformMod2a, 0, oscModMixer2b, 3);
AudioConnection          patchCord253(waveformMod3a, 0, oscModMixer3b, 3);
AudioConnection          patchCord254(waveformMod4a, 0, oscModMixer4b, 3);
AudioConnection          patchCord255(waveformMod5a, 0, oscModMixer5b, 3);
AudioConnection          patchCord256(waveformMod6a, 0, oscModMixer6b, 3);
AudioConnection          patchCord257(waveformMod7a, 0, oscModMixer7b, 3);
AudioConnection          patchCord258(waveformMod8a, 0, oscModMixer8b, 3);
AudioConnection          patchCord259(waveformMod1b, 0, oscModMixer1a, 3);
AudioConnection          patchCord260(waveformMod2b, 0, oscModMixer2a, 3);
AudioConnection          patchCord261(waveformMod3b, 0, oscModMixer3a, 3);
AudioConnection          patchCord262(waveformMod4b, 0, oscModMixer4a, 3);
AudioConnection          patchCord263(waveformMod5b, 0, oscModMixer5a, 3);
AudioConnection          patchCord264(waveformMod6b, 0, oscModMixer6a, 3);
AudioConnection          patchCord265(waveformMod7b, 0, oscModMixer7a, 3);
AudioConnection          patchCord266(waveformMod8b, 0, oscModMixer8a, 3);


AudioConnection          patchCord301(waveformMod1a, 0, oscFX1, 0);
AudioConnection          patchCord302(waveformMod2a, 0, oscFX2, 0);
AudioConnection          patchCord303(waveformMod3a, 0, oscFX3, 0);
AudioConnection          patchCord304(waveformMod4a, 0, oscFX4, 0);
AudioConnection          patchCord305(waveformMod5a, 0, oscFX5, 0);
AudioConnection          patchCord306(waveformMod6a, 0, oscFX6, 0);
AudioConnection          patchCord307(waveformMod7a, 0, oscFX7, 0);
AudioConnection          patchCord308(waveformMod8a, 0, oscFX8, 0);
AudioConnection          patchCord309(waveformMod1b, 0, oscFX1, 1);
AudioConnection          patchCord310(waveformMod2b, 0, oscFX2, 1);
AudioConnection          patchCord311(waveformMod3b, 0, oscFX3, 1);
AudioConnection          patchCord312(waveformMod4b, 0, oscFX4, 1);
AudioConnection          patchCord313(waveformMod5b, 0, oscFX5, 1);
AudioConnection          patchCord314(waveformMod6b, 0, oscFX6, 1);
AudioConnection          patchCord315(waveformMod7b, 0, oscFX7, 1);
AudioConnection          patchCord316(waveformMod8b, 0, oscFX8, 1);


// AudioSynthWaveformTS -------------------------------------------------
AudioConnection          patchCord351(pwmLfoA, 0, pwMixer1a, 0);
AudioConnection          patchCord352(pwmLfoB, 0, pwMixer2a, 0);
AudioConnection          patchCord353(pwmLfoA, 0, pwMixer3a, 0);
AudioConnection          patchCord354(pwmLfoB, 0, pwMixer4a, 0);
AudioConnection          patchCord355(pwmLfoA, 0, pwMixer5a, 0);
AudioConnection          patchCord356(pwmLfoB, 0, pwMixer6a, 0);
AudioConnection          patchCord357(pwmLfoA, 0, pwMixer7a, 0);
AudioConnection          patchCord358(pwmLfoB, 0, pwMixer8a, 0);
AudioConnection          patchCord359(pwmLfoA, 0, pwMixer1b, 0);
AudioConnection          patchCord360(pwmLfoB, 0, pwMixer2b, 0);
AudioConnection          patchCord361(pwmLfoA, 0, pwMixer3b, 0);
AudioConnection          patchCord362(pwmLfoB, 0, pwMixer4b, 0);
AudioConnection          patchCord363(pwmLfoA, 0, pwMixer5b, 0);
AudioConnection          patchCord364(pwmLfoB, 0, pwMixer6b, 0);
AudioConnection          patchCord365(pwmLfoA, 0, pwMixer7b, 0);
AudioConnection          patchCord366(pwmLfoB, 0, pwMixer8b, 0);


AudioConnection          patchCord401(filterLfo, 0, filterModMixer1, 1);
AudioConnection          patchCord402(filterLfo, 0, filterModMixer2, 1);
AudioConnection          patchCord403(filterLfo, 0, filterModMixer3, 1);
AudioConnection          patchCord404(filterLfo, 0, filterModMixer4, 1);
AudioConnection          patchCord405(filterLfo, 0, filterModMixer5, 1);
AudioConnection          patchCord406(filterLfo, 0, filterModMixer6, 1);
AudioConnection          patchCord407(filterLfo, 0, filterModMixer7, 1);
AudioConnection          patchCord408(filterLfo, 0, filterModMixer8, 1);


AudioConnection          patchCord420(pitchLfo, 0, oscGlobalModMixer, 1);


AudioConnection          patchCord421(pink, 0, noiseMixer, 0);
AudioConnection          patchCord422(white, 0, noiseMixer, 1);


// AudioEffectEnvelope --------------------------------------------------
AudioConnection          patchCord501(filterEnvelope1, 0, oscModMixer1a, 1);
AudioConnection          patchCord502(filterEnvelope1, 0, oscModMixer1b, 1);
AudioConnection          patchCord503(filterEnvelope2, 0, oscModMixer2a, 1);
AudioConnection          patchCord504(filterEnvelope2, 0, oscModMixer2b, 1);
AudioConnection          patchCord505(filterEnvelope3, 0, oscModMixer3a, 1);
AudioConnection          patchCord506(filterEnvelope3, 0, oscModMixer3b, 1);
AudioConnection          patchCord507(filterEnvelope4, 0, oscModMixer4a, 1);
AudioConnection          patchCord508(filterEnvelope4, 0, oscModMixer4b, 1);
AudioConnection          patchCord509(filterEnvelope5, 0, oscModMixer5a, 1);
AudioConnection          patchCord510(filterEnvelope5, 0, oscModMixer5b, 1);
AudioConnection          patchCord511(filterEnvelope6, 0, oscModMixer6a, 1);
AudioConnection          patchCord512(filterEnvelope6, 0, oscModMixer6b, 1);
AudioConnection          patchCord513(filterEnvelope7, 0, oscModMixer7a, 1);
AudioConnection          patchCord514(filterEnvelope7, 0, oscModMixer7b, 1);
AudioConnection          patchCord515(filterEnvelope8, 0, oscModMixer8a, 1);
AudioConnection          patchCord516(filterEnvelope8, 0, oscModMixer8b, 1);


AudioConnection          patchCord551(filterEnvelope1, 0, pwMixer1a, 2);
AudioConnection          patchCord552(filterEnvelope1, 0, pwMixer1b, 2);
AudioConnection          patchCord553(filterEnvelope2, 0, pwMixer2a, 2);
AudioConnection          patchCord554(filterEnvelope2, 0, pwMixer2b, 2);
AudioConnection          patchCord555(filterEnvelope3, 0, pwMixer3a, 2);
AudioConnection          patchCord556(filterEnvelope3, 0, pwMixer3b, 2);
AudioConnection          patchCord557(filterEnvelope4, 0, pwMixer4a, 2);
AudioConnection          patchCord558(filterEnvelope4, 0, pwMixer4b, 2);
AudioConnection          patchCord559(filterEnvelope5, 0, pwMixer5a, 2);
AudioConnection          patchCord560(filterEnvelope5, 0, pwMixer5b, 2);
AudioConnection          patchCord561(filterEnvelope6, 0, pwMixer6a, 2);
AudioConnection          patchCord562(filterEnvelope6, 0, pwMixer6b, 2);
AudioConnection          patchCord563(filterEnvelope7, 0, pwMixer7a, 2);
AudioConnection          patchCord564(filterEnvelope7, 0, pwMixer7b, 2);
AudioConnection          patchCord565(filterEnvelope8, 0, pwMixer8a, 2);
AudioConnection          patchCord566(filterEnvelope8, 0, pwMixer8b, 2);


AudioConnection          patchCord581(filterEnvelope1, 0, filterModMixer1, 0);
AudioConnection          patchCord582(filterEnvelope2, 0, filterModMixer2, 0);
AudioConnection          patchCord583(filterEnvelope3, 0, filterModMixer3, 0);
AudioConnection          patchCord584(filterEnvelope4, 0, filterModMixer4, 0);
AudioConnection          patchCord585(filterEnvelope5, 0, filterModMixer5, 0);
AudioConnection          patchCord586(filterEnvelope6, 0, filterModMixer6, 0);
AudioConnection          patchCord587(filterEnvelope7, 0, filterModMixer7, 0);
AudioConnection          patchCord588(filterEnvelope8, 0, filterModMixer8, 0);


AudioConnection          patchCord631(ampEnvelope1, 0, voiceMixer1, 0);
AudioConnection          patchCord632(ampEnvelope2, 0, voiceMixer1, 1);
AudioConnection          patchCord633(ampEnvelope3, 0, voiceMixer1, 2);
AudioConnection          patchCord634(ampEnvelope4, 0, voiceMixer1, 3);
AudioConnection          patchCord635(ampEnvelope5, 0, voiceMixer2, 0);
AudioConnection          patchCord636(ampEnvelope6, 0, voiceMixer2, 1);
AudioConnection          patchCord637(ampEnvelope7, 0, voiceMixer2, 2);
AudioConnection          patchCord638(ampEnvelope8, 0, voiceMixer2, 3);


// AudioEffectDigitalCombine --------------------------------------------
AudioConnection          patchCord651(oscFX1, 0, waveformMixer1, 3);
AudioConnection          patchCord652(oscFX2, 0, waveformMixer2, 3);
AudioConnection          patchCord653(oscFX4, 0, waveformMixer4, 3);
AudioConnection          patchCord654(oscFX3, 0, waveformMixer3, 3);
AudioConnection          patchCord655(oscFX5, 0, waveformMixer5, 3);
AudioConnection          patchCord656(oscFX6, 0, waveformMixer6, 3);
AudioConnection          patchCord657(oscFX7, 0, waveformMixer7, 3);
AudioConnection          patchCord658(oscFX8, 0, waveformMixer8, 3);


// AudioFilterStateVariable ---------------------------------------------
AudioConnection          patchCord701(filter1, 0, filterMixer1, 0);
AudioConnection          patchCord702(filter1, 1, filterMixer1, 1);
AudioConnection          patchCord703(filter1, 2, filterMixer1, 2);
AudioConnection          patchCord704(filter2, 0, filterMixer2, 0);
AudioConnection          patchCord705(filter2, 1, filterMixer2, 1);
AudioConnection          patchCord706(filter2, 2, filterMixer2, 2);
AudioConnection          patchCord707(filter3, 0, filterMixer3, 0);
AudioConnection          patchCord708(filter3, 1, filterMixer3, 1);
AudioConnection          patchCord709(filter3, 2, filterMixer3, 2);
AudioConnection          patchCord710(filter4, 0, filterMixer4, 0);
AudioConnection          patchCord711(filter4, 1, filterMixer4, 1);
AudioConnection          patchCord712(filter4, 2, filterMixer4, 2);
AudioConnection          patchCord713(filter5, 0, filterMixer5, 0);
AudioConnection          patchCord714(filter5, 1, filterMixer5, 1);
AudioConnection          patchCord715(filter5, 2, filterMixer5, 2);
AudioConnection          patchCord716(filter6, 0, filterMixer6, 0);
AudioConnection          patchCord717(filter6, 1, filterMixer6, 1);
AudioConnection          patchCord718(filter6, 2, filterMixer6, 2);
AudioConnection          patchCord719(filter7, 0, filterMixer7, 0);
AudioConnection          patchCord720(filter7, 1, filterMixer7, 1);
AudioConnection          patchCord721(filter7, 2, filterMixer7, 2);
AudioConnection          patchCord722(filter8, 0, filterMixer8, 0);
AudioConnection          patchCord723(filter8, 1, filterMixer8, 1);
AudioConnection          patchCord724(filter8, 2, filterMixer8, 2);
AudioConnection          patchCord730(dcOffsetFilter, 2, volumeMixer, 0);
AudioConnection          patchCord731(dcOffsetFilter, 2, scope, 0);
AudioConnection          patchCord732(dcOffsetFilter, 2, peak, 0);


// Mixer ----------------------------------------------------------------
AudioConnection          patchCord751(noiseMixer, 0, waveformMixer1, 2);
AudioConnection          patchCord752(noiseMixer, 0, waveformMixer2, 2);
AudioConnection          patchCord753(noiseMixer, 0, waveformMixer3, 2);
AudioConnection          patchCord754(noiseMixer, 0, waveformMixer4, 2);
AudioConnection          patchCord755(noiseMixer, 0, waveformMixer5, 2);
AudioConnection          patchCord756(noiseMixer, 0, waveformMixer6, 2);
AudioConnection          patchCord757(noiseMixer, 0, waveformMixer7, 2);
AudioConnection          patchCord758(noiseMixer, 0, waveformMixer8, 2);


AudioConnection          patchCord771(pwMixer1a, 0, waveformMod1a, 1);
AudioConnection          patchCord772(pwMixer1b, 0, waveformMod1b, 1);
AudioConnection          patchCord773(pwMixer3b, 0, waveformMod3b, 1);
AudioConnection          patchCord774(pwMixer4b, 0, waveformMod4b, 1);
AudioConnection          patchCord775(pwMixer4a, 0, waveformMod4a, 1);
AudioConnection          patchCord776(pwMixer2a, 0, waveformMod2a, 1);
AudioConnection          patchCord777(pwMixer2b, 0, waveformMod2b, 1);
AudioConnection          patchCord778(pwMixer3a, 0, waveformMod3a, 1);
AudioConnection          patchCord779(pwMixer5a, 0, waveformMod5a, 1);
AudioConnection          patchCord780(pwMixer5b, 0, waveformMod5b, 1);
AudioConnection          patchCord781(pwMixer6a, 0, waveformMod6a, 1);
AudioConnection          patchCord782(pwMixer6b, 0, waveformMod6b, 1);
AudioConnection          patchCord783(pwMixer7a, 0, waveformMod7a, 1);
AudioConnection          patchCord784(pwMixer7b, 0, waveformMod7b, 1);
AudioConnection          patchCord785(pwMixer8a, 0, waveformMod8a, 1);
AudioConnection          patchCord786(pwMixer8b, 0, waveformMod8b, 1);


AudioConnection          patchCord801(oscGlobalModMixer, 0, oscModMixer1a, 0);
AudioConnection          patchCord802(oscGlobalModMixer, 0, oscModMixer1b, 0);
AudioConnection          patchCord803(oscGlobalModMixer, 0, oscModMixer2a, 0);
AudioConnection          patchCord804(oscGlobalModMixer, 0, oscModMixer2b, 0);
AudioConnection          patchCord805(oscGlobalModMixer, 0, oscModMixer3a, 0);
AudioConnection          patchCord806(oscGlobalModMixer, 0, oscModMixer3b, 0);
AudioConnection          patchCord807(oscGlobalModMixer, 0, oscModMixer4a, 0);
AudioConnection          patchCord808(oscGlobalModMixer, 0, oscModMixer4b, 0);
AudioConnection          patchCord809(oscGlobalModMixer, 0, oscModMixer5a, 0);
AudioConnection          patchCord810(oscGlobalModMixer, 0, oscModMixer5b, 0);
AudioConnection          patchCord811(oscGlobalModMixer, 0, oscModMixer6a, 0);
AudioConnection          patchCord812(oscGlobalModMixer, 0, oscModMixer6b, 0);
AudioConnection          patchCord813(oscGlobalModMixer, 0, oscModMixer7a, 0);
AudioConnection          patchCord814(oscGlobalModMixer, 0, oscModMixer7b, 0);
AudioConnection          patchCord815(oscGlobalModMixer, 0, oscModMixer8a, 0);
AudioConnection          patchCord816(oscGlobalModMixer, 0, oscModMixer8b, 0);


AudioConnection          patchCord831(filterModMixer1, 0, filter1, 1);
AudioConnection          patchCord832(filterModMixer2, 0, filter2, 1);
AudioConnection          patchCord833(filterModMixer3, 0, filter3, 1);
AudioConnection          patchCord834(filterModMixer4, 0, filter4, 1);
AudioConnection          patchCord835(filterModMixer5, 0, filter5, 1);
AudioConnection          patchCord836(filterModMixer6, 0, filter6, 1);
AudioConnection          patchCord837(filterModMixer7, 0, filter7, 1);
AudioConnection          patchCord838(filterModMixer8, 0, filter8, 1);


// waveshaper
AudioConnection          patchCord841(filterMixer1, WaveshaperAmp1);
AudioConnection          patchCord842(filterMixer2, WaveshaperAmp2);
AudioConnection          patchCord843(filterMixer3, WaveshaperAmp3);
AudioConnection          patchCord844(filterMixer4, WaveshaperAmp4);
AudioConnection          patchCord845(filterMixer5, WaveshaperAmp5);
AudioConnection          patchCord846(filterMixer6, WaveshaperAmp6);
AudioConnection          patchCord847(filterMixer7, WaveshaperAmp7);
AudioConnection          patchCord848(filterMixer8, WaveshaperAmp8);


AudioConnection          patchCord849(WaveshaperAmp1, waveshaper1);
AudioConnection          patchCord850(WaveshaperAmp2, waveshaper2);
AudioConnection          patchCord851(WaveshaperAmp3, waveshaper3);
AudioConnection          patchCord852(WaveshaperAmp4, waveshaper4);
AudioConnection          patchCord853(WaveshaperAmp5, waveshaper5);
AudioConnection          patchCord854(WaveshaperAmp6, waveshaper6);
AudioConnection          patchCord855(WaveshaperAmp7, waveshaper7);
AudioConnection          patchCord856(WaveshaperAmp8, waveshaper8);


AudioConnection          patchCord857(waveshaper1, ampEnvelope1);
AudioConnection          patchCord858(waveshaper2, ampEnvelope2);
AudioConnection          patchCord859(waveshaper3, ampEnvelope3);
AudioConnection          patchCord860(waveshaper4, ampEnvelope4);
AudioConnection          patchCord861(waveshaper5, ampEnvelope5);
AudioConnection          patchCord862(waveshaper6, ampEnvelope6);
AudioConnection          patchCord863(waveshaper7, ampEnvelope7);
AudioConnection          patchCord864(waveshaper8, ampEnvelope8);


AudioConnection          patchCord871(oscModMixer1a, 0, waveformMod1a, 0);
AudioConnection          patchCord872(oscModMixer1b, 0, waveformMod1b, 0);
AudioConnection          patchCord873(oscModMixer2a, 0, waveformMod2a, 0);
AudioConnection          patchCord874(oscModMixer2b, 0, waveformMod2b, 0);
AudioConnection          patchCord875(oscModMixer3a, 0, waveformMod3a, 0);
AudioConnection          patchCord876(oscModMixer3b, 0, waveformMod3b, 0);
AudioConnection          patchCord877(oscModMixer4a, 0, waveformMod4a, 0);
AudioConnection          patchCord878(oscModMixer4b, 0, waveformMod4b, 0);
AudioConnection          patchCord879(oscModMixer5a, 0, waveformMod5a, 0);
AudioConnection          patchCord880(oscModMixer5b, 0, waveformMod5b, 0);
AudioConnection          patchCord881(oscModMixer6a, 0, waveformMod6a, 0);
AudioConnection          patchCord882(oscModMixer6b, 0, waveformMod6b, 0);
AudioConnection          patchCord883(oscModMixer7a, 0, waveformMod7a, 0);
AudioConnection          patchCord884(oscModMixer7b, 0, waveformMod7b, 0);
AudioConnection          patchCord885(oscModMixer8a, 0, waveformMod8a, 0);
AudioConnection          patchCord886(oscModMixer8b, 0, waveformMod8b, 0);


AudioConnection          patchCord901(voiceMixer1, 0, voiceMixerM, 0);
AudioConnection          patchCord902(voiceMixer2, 0, voiceMixerM, 1);
AudioConnection          patchCord903(voiceMixer3, 0, voiceMixerM, 2);


AudioConnection          patchCord921(voiceMixerM, 0, dcOffsetFilter, 0);
AudioConnection          patchCord922(dcOffsetFilter, 2, volumeMixer, 0);
AudioConnection          patchCord923(dcOffsetFilter, 2, scope, 0);
AudioConnection          patchCord924(dcOffsetFilter, 2, peak, 0);


AudioConnection          patchCord941(waveformMixer1, 0, filter1, 0);
AudioConnection          patchCord942(waveformMixer2, 0, filter2, 0);
AudioConnection          patchCord943(waveformMixer3, 0, filter3, 0);
AudioConnection          patchCord944(waveformMixer4, 0, filter4, 0);
AudioConnection          patchCord945(waveformMixer5, 0, filter5, 0);
AudioConnection          patchCord946(waveformMixer6, 0, filter6, 0);
AudioConnection          patchCord947(waveformMixer7, 0, filter7, 0);
AudioConnection          patchCord948(waveformMixer8, 0, filter8, 0);


AudioConnection          patchCord950(voiceMixer1, 0, voiceMixerM, 0);
AudioConnection          patchCord951(voiceMixer2, 0, voiceMixerM, 1);
AudioConnection          patchCord952(voiceMixer3, 0, voiceMixerM, 2);


AudioConnection          patchCord960(voiceMixerM, 0, dcOffsetFilter, 0);


AudioConnection          patchCord998(volumeMixer, 0, PCM5102A, 0);
AudioConnection          patchCord999(volumeMixer, 0, PCM5102A, 1);


Now everything works fine without audioBuffer problems :)

 
Hi Rolf

Glad it's all OK again. I did a quick text compare of the non-working and latest AudioStream code, and thought the problem might likely be the relative location of the ampEnvelope blocks, which are before the oscModMixer blocks in the non-working version. But to be honest I'm not sure! You might see a slight improvement in response to MIDI messages if you move the AudioOutputI2S block to the end. The AudioSynthWaveformModulatedTS looks fine to me, no reason for that to cause the problem you showed in post #157.

As you say, ordering and numbering of the AudioConnection objects has no effect.

Cheers

Jonathan
 
Hallo Jonathan

Thanks for your tip. MIDI is faster if I move the AudioOutputI2S block to the end :)


Greetings Rolf
 
Hallo friends..

The last part of programming is a small step sequencer. I think it will look similar to DeepMind6.

Stepper.jpg



I programmed a nice step sequencer in my old DIY Synth Degenerator. The display was bigger.

De-Stepper.jpg
 
Hello friends :)


For the LFOs I added a phase control of 0 degrees and 180 degrees.

MTune01.jpg



In the system menu the global parameter for the transpose of + - 12 semitones can be set.

20210626-124541.jpg


With MasterTune I am not yet sure whether the setting is ok.
I programmed the setting to + - 10Hz for the 440Hz keynote.
This corresponds to a maximum detuning of + - 2.27% for all tones
Should be enough for a mood with analog synths :confused:


Greetings Rolf
 
Last edited:
Hello..
This is the first draft for the sequencer in my Synth. There will be an editor page via the "Shift" key.

20210628-152759.jpg


I'm curious.. :)
 
New Boot Logo from Jeannie..

There are 12 small BMP images (60KB) that are loaded very quickly from the SD card and displayed one after the other in a loop.

I couldn't integrate a driver for the GIF format.

YT00050505kkddkd.png


Youtube: https://youtu.be/RVQPJGHJurA
 
Back
Top