Overheating and "dead" Teensy 4.1

I've been using Teensy 4.1s for data acquisition systems and have 4 that have now reached a point where they output 0.6V on the 3.3V pin even though the 5V pin is measuring accurately. I have powered with both a usb cable and 5V regulated from 11.1V and 14.8V lipos using different lin-regs on different pcbs but not both sources at the same time. The area around F1 seems to be what is becoming hot but I have been unable to figure out what is happening to cause this and the low voltage values. At least one of the modules was never used on a pcb and was only ever powered with a usb and a 5V power supply. The other three were a combination of both. I have gone through each board and all of the regulators seem to be functioning properly but, with the addition of the Teensy, quite a bit of current is being drawn. Is there a fix for this issue or are the modules fried? The one never exposed to a board was only ever used on the bench whereas the others, that lasted longer, were used in DAQs that had exposure to the outdoors, sun, heat, dust, etc.
 
This isn't normal and implies some sort of error in how they are being connected up.
Either an issue with the power or excessive voltage/current draw on the IO pins.

Can you supply schematics of how the power is connected and what exactly is connected to the other pins.
 
Teensy is more sensitive to "unwanted voltage" on its pins than the average AtMega328 Arduino.
Filter power supply you provide : TVS, diodes, capacitors, coil, ferrite,.....
Don't connect any external signal directly to I/O pins whithout protections: serie resistor, R-C filter, TVS, diodes, zener,....
 
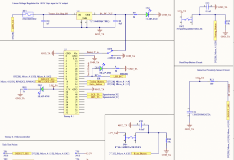
Here is one of our schematics for the Teensy. This board operates a brake light when the current through our pressure sensors changes on brake lines.
 

Attachments

  • Screenshot 2025-09-08 at 9.56.38 PM.png
    Screenshot 2025-09-08 at 9.56.38 PM.png
    1.7 MB · Views: 66
  • Screenshot 2025-09-08 at 9.56.57 PM.png
    Screenshot 2025-09-08 at 9.56.57 PM.png
    160.4 KB · Views: 60
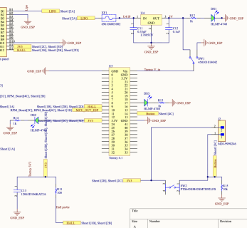
Our other board that also uses a Teensy is this one that has the input of engine rpm and a sensor to detect rotation for rpm of a shaft. The first board (Rev1) used a hall effect sensor powered at 3.3V with two magnets in the collar. The second board (Rev2) used an inductive proximity sensor powered at 11.2V with a voltage divider at the input to the board to regulate to safe micro voltage that is not pictured on the schematic. I'm going to check that voltage divider, as it is in the wire harness, to make sure it is not what is causing the problem.
 

Attachments

  • Rev1_1.png
    Rev1_1.png
    1.1 MB · Views: 62
  • Rev1_2.png
    Rev1_2.png
    1.2 MB · Views: 59
  • Rev2_1.png
    Rev2_1.png
    1.4 MB · Views: 53
  • Rev2_2.png
    Rev2_2.png
    1.2 MB · Views: 67
Could someone take a look through my schematics and see if there is anything obvious that might be killing my Teensy 4.1s?
 
@Bajanana25: I can't tell what kind of circuitry and/or IC(s) are in front of the HALL signal, & I'm not electronically savvy enough to verify that what's in front of the MCU_OUT_ESP signal provides sufficient protection, but have you guaranteed that any signals connected into the inputs of the T4.1 cannot exceed 3.3VDC...that's one of the quickest ways to kill a Teensy !! Right behind that is allowing supply voltage to exceed 5VDC (Ask me how I know . . .ouch !!). Also, are there any high-voltage signals nearby that may be coupling into any wiring and/or PCB traces ?? Just a few things to potentially look at.

Hope that helps . . .

Mark J Culross
KD5RXT
 
What is "INDUCT_SIG"? From only this schematic, it seems to connect only to a 100K resistor and a test point.

Difficult to guess what's killing Teensy from this schematic alone, without any way to know how it connects to real-world equipment and what that equipment really is.

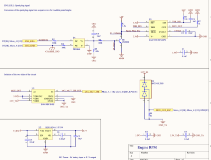
I did notice a mention of a spark plug in one of the signal names! Those words alone on a schematic won't kill a Teensy, but if this is a system with an actual combustion engine having spark plugs, well....

Hopefully you can understand how we'd need to know much more about what else you're really connecting to guess why things are going so wrong.
 
It's the input signal from an inductive proximity sensor with a voltage divider resistor setup within the wire harness to regulate from 11.2V to 3.3V
 
The brake sensor pcb is presenting a voltage above Teensy 3.3V limit.
LM358 opamp is being used as comparator. Vout high will be around 10.5V. LED is a 2V LED. Schottky diode drop of maybe 0.2V. Teensy sees 10.5-2-0.2 = 8.3V. Result..., destroyed Teensy.

We haven't been told what the brake sensor is.
How is brake sensor powered?
What voltage range (HIGH/LOW limits) does it put out ?

As other people have mentioned, Teensy pins must not see signals above 3.3V.

Why do you want to connect Teensy Vin to GND?
If you do that and connect Teensy USB, this shorts out the PC USB 5V to GND. Hopefully, the PC's USB port goes into current limiting mode.

Can you provide more detail about the speedometer I2C signals?
How are they sourced?
Are they isolated from Teensy?
How is the I2C ground connected to Teensy?
Where are the I2C pull-up resistors and to which voltage rail are they connected?
 
Last edited:
It's the input signal from an inductive proximity sensor with a voltage divider resistor setup within the wire harness to regulate from 11.2V to 3.3V
Where is the 11.2V coming from?

Automotive power is notoriously noisy. If this is from any sort of automotive system then expect the "12 V" to have an average anywhere up to 15 V and spikes in the kV range.
 
And don't use opamps as comparators (they are awful at it), the LM339 and similar are very cheap and do a far better job and have open-collector outputs to make interfacing to logic very easy and safe. They are likely to switch fast enough not to cause multiple transitions too, which the LM358 cannot achieve (its the slowest opamp in the world, nearly).
 
Where is the 11.2V coming from?

Automotive power is notoriously noisy. If this is from any sort of automotive system then expect the "12 V" to have an average anywhere up to 15 V and spikes in the kV range.
The 11.2V is not on the brake light board, it is on the other PCB. The voltage is coming in from a lipo and is immediately connected to a fuse into a 5V lin-reg upon being plugged into the board. Nothing on the actual pcb is running higher than 5V other than the two regulators being powered at 11.2V and 9V.
 
The brake sensor pcb is presenting a voltage above Teensy 3.3V limit.
LM358 opamp is being used as comparator. Vout high will be around 10.5V. LED is a 2V LED. Schottky diode drop of maybe 0.2V. Teensy sees 10.5-2-0.2 = 8.3V. Result..., destroyed Teensy.

We haven't been told what the brake sensor is.
How is brake sensor powered?
What voltage range (HIGH/LOW limits) does it put out ?

As other people have mentioned, Teensy pins must not see signals above 3.3V.

Why do you want to connect Teensy Vin to GND?
If you do that and connect Teensy USB, this shorts out the PC USB 5V to GND. Hopefully, the PC's USB port goes into current limiting mode.

Can you provide more detail about the speedometer I2C signals?
How are they sourced?
Are they isolated from Teensy?
How is the I2C ground connected to Teensy?
Where are the I2C pull-up resistors and to which voltage rail are they connected?
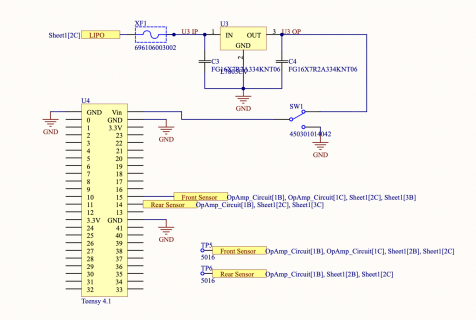
The Teensy Vin is connected to a switch that allows us to disconnect it from the regulated power source instead of having to unplug the micro.

The speedometer has never been connected to the board and that circuitry is just intended to act as a connection point for a Qwiic 14-segment display to be connected and then controlled with the Teensy. The circuitry for that was modeled after a Sparkfun dev board for that system.
 
What is "INDUCT_SIG"? From only this schematic, it seems to connect only to a 100K resistor and a test point.

Difficult to guess what's killing Teensy from this schematic alone, without any way to know how it connects to real-world equipment and what that equipment really is.

I did notice a mention of a spark plug in one of the signal names! Those words alone on a schematic won't kill a Teensy, but if this is a system with an actual combustion engine having spark plugs, well....

Hopefully you can understand how we'd need to know much more about what else you're really connecting to guess why things are going so wrong.
The confusing part is that we ran both of these boards for testing and logged data using the Teensy on many occasions and had absolutely no issues. Fast forward a couple months and within a couple weeks, we had three Teensy's fail in the same way and nothing was altered from the previous system we were running.
 
If you connect Teensy Vin to Ground with the switch as shown, this powers OFF the Teensy. If there are other external signals being presented to Teensy while Teensy is powered OFF, these signals will back-drive into Teensy pins. That's another method to destroy a Teensy. From the schematics presented so far, several signals are back-driving Teensy pins. These signals should be powered down along with Teensy being powered OFF.

Is the Brake_Light_output signal connected to Teensy? I don't see that connection on any of the schematics.

What is the voltage of Front_Sensor and Rear_Sensor signals? These are directly connected to Teensy.
 
and nothing was altered from the previous system we were running.

Maybe something was actually altered without your knowledge? Or maybe conditions external to Teensy and your circuitry were different? Or maybe your build was always susceptible in some way and you just got lucky so many prior times?

Nobody here can really even begin to guess, because the 4 schematic images you've shown so far don't really give us a clear picture of what you're really doing. Even with a perfectly clear schematic of the PCB (or whatever construction style you're using) what really matters is how its interfaced with the entire automotive system. The electrons don't magically stop just because it's the edge of your schematic sheet! They flow through to whatever automotive stuff you're connecting. If we can't see what you're really doing, the only help we can offer over the internet pretty much amounts to blind guessing.

Just to echo the guesswork so far, automotive systems can be terribly noisy. Huge voltage spikes can couple from the spark plug wires. The pulsing current can electrically couple a lot of noise. That high frequency stuff can vary quite a lot depending on the condition of the battery, which varies with temperature and level of discharge. Whether this has impacted you, very difficult to say. Remember, this is pretty much still blind guesswork because I can't see how you've really installed everything relative this automotive system.
 
Back
Top