Hey.
I am trying the read TDM output from my Teensy 4.1. But it doesnt look like its working as it suppose.
i have taken a picture from my oscilloscope. I know the signal is a "bit" noisy
I was expecting to see something in the middle between the periods, because i did connect my "playsdWav" too 8 and 9, as it can be seen on my code.
My oscilloscope is on Pin 7 and Pin 20.
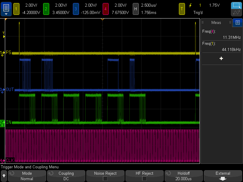
I am trying the read TDM output from my Teensy 4.1. But it doesnt look like its working as it suppose.
i have taken a picture from my oscilloscope. I know the signal is a "bit" noisy
I was expecting to see something in the middle between the periods, because i did connect my "playsdWav" too 8 and 9, as it can be seen on my code.
My oscilloscope is on Pin 7 and Pin 20.
Code:
#include <Audio.h>
#include <Wire.h>
#include <SPI.h>
#include <SD.h>
#include <SerialFlash.h>
// GUItool: begin automatically generated code
AudioPlaySdWav playSdWav1; //xy=301,501
AudioOutputTDM tdm1; //xy=511,580
AudioConnection patchCord1(playSdWav1, 0, tdm1, 8);
AudioConnection patchCord2(playSdWav1, 1, tdm1, 9);
// GUItool: end automatically generated code/
int ledPin= 13;
void setup() {
pinMode(LED_BUILTIN, OUTPUT); //Quality of life to see when setup begins and ends
pinMode(ledPin,OUTPUT);
digitalWrite(LED_BUILTIN, HIGH);
Serial.print("Programmet er nu startet");
Serial.begin(9600);//Sætter intern baudrate mellem SD kort og SPI
digitalWrite(LED_BUILTIN, LOW);
}
void loop()
{
if (playSdWav1.isPlaying() == false) {
playSdWav1.play("YEARS.wav");
Serial.println("Playing track.");
delay(10); // wait for library to parse WAV info
}
digitalWrite(ledPin, HIGH);
delay(1000);
digitalWrite(ledPin,LOW);
delay(1000);
}
