Would using a buck converter be suitable for my circuit?

TonyAme

Active member
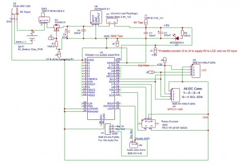
Sincere thanks for reading. Would using a 9V to 5V buck converter be more suitable in my schematic? I'm using the Teensy 4.0 and the Audio board RevD2.
Any recommendations for a proper buck converter?

The headers marked U7, U8 are where I'll be connecting a 10k audio volume pot (U7) and a 1/4" audio output jack (U8).
Headers U4 and U5 are for connecting an I2C MPR121 capacitive touch sensor (U4), and an LCD (U5).
Q1 is a p-channel mosfet that is being used for reverse polarity power protection.

Thanks for any input, advice and help.
TonyAm
 

Attachments

  • TeensyAudioBoardRevD.jpg
    TeensyAudioBoardRevD.jpg
    196.4 KB · Views: 35
Last edited:
I think that is actually a linear regulator, at any rate the power side of the schematic looks reasonable. I power my 4.0's in the same way. My only comment is the electrolytic cap: 470 nF or do you mean 470 uF? I would recommend the a latter.
 
I would suggest putting a 3-position pin header for the display power, and use a 2-position shorted jumper to select between the two power choices. The middle pin of the 3-position pin header would be connected to the power input to the display, and one of the outside pins would be connected to the 3.3VDC supplied by the Teensy, and the other of the outside pins would be connected to the 5VDC supply (VIN on the Teensy). That way 1) no cutting necessary, just move the jumper to make your selection, and 2) it's far less likely that the Teensy's 3.3VDC output will get shorted to 5VDC accidentally (which would almost certainly be fatal to the Teensy).

Hope that helps . . .

Mark J Culross
KD5RXT
 
I think that is actually a linear regulator, at any rate the power side of the schematic looks reasonable. I power my 4.0's in the same way. My only comment is the electrolytic cap: 470 nF or do you mean 470 uF? I would recommend the a latter.
Yes, the schematic shows a linear regulator, but was thinking about using a buck converter instead. 470nF might have been a typo, I will check. Thank you for pointing that out!
 
I would suggest putting a 3-position pin header for the display power, and use a 2-position shorted jumper to select between the two power choices. The middle pin of the 3-position pin header would be connected to the power input to the display, and one of the outside pins would be connected to the 3.3VDC supplied by the Teensy, and the other of the outside pins would be connected to the 5VDC supply (VIN on the Teensy). That way 1) no cutting necessary, just move the jumper to make your selection, and 2) it's far less likely that the Teensy's 3.3VDC output will get shorted to 5VDC accidentally (which would almost certainly be fatal to the Teensy).

Hope that helps . . .

Mark J Culross
KD5RXT
Thanks very much for that insight. A better solution than what I had. Sincere Thanks.

TonyAm
 
Back
Top