xxxajk
Reaction score
16

Latest activity Postings About

    • xxxajk
      xxxajk replied to the thread Short Circuit Problem.
      Other notes: You shouldn't need anything faster than 1MHz ability for PWM. The PTC circuit is meant to protect the MCU power supply, it does not reset unless powered off. The idea is to short an over voltage source to ground, and the PTC takes...
    • xxxajk
      xxxajk replied to the thread Short Circuit Problem.
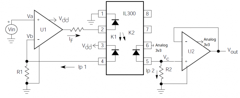
      The idea for the PCT is for voltage supply to the MCU, not as an input. For analog signal input from something not in the 3.3v range, you want to optically isolate using an optoisolator with analog compensation PIN diode. VOA300-DEFG-X017T and...
      • opto.png
    • xxxajk
      Thanks @h4yn0nnym0u5e for keeping up the good fight! Received an update today that the chips are still expected to exit the factory on 9/30, so should be available in about 3 weeks.
    • xxxajk
      Further to issues encountered with getting the AudioEffectDelayExternal object working, I've circled back to the PSRAM memory test, i.e. using the FlexPSI2 interface to give memory in the EXTMEM area. Long story short, all appears well with the...
    • xxxajk
      xxxajk replied to the thread Short Circuit Problem.
      You can do analog by using an opto isolator that has PIN diodes and an opamp. Basically it allows you to do analog "level shifting" of sorts. Also the PTC is on the wrong side of the circuit...
  • Loading…
  • Loading…
Back
Top